欢迎来到知嘟嘟! 联系电话:13095918853 卖家免费入驻,海量在线求购! 卖家免费入驻,海量在线求购!
知嘟嘟
我要发布
联系电话:13095918853
知嘟嘟经纪人
收藏
专利号: 2016112335607
申请人: 浙江海洋大学
专利类型:发明专利
专利状态:已下证
专利领域: 测量;测试
更新日期:2024-01-05
缴费截止日期: 暂无
价格&联系人
年费信息
委托购买

摘要:

权利要求书:

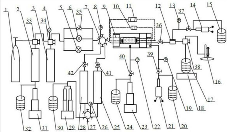
1.一种致密储层微裂缝扩展及渗流特征测试装置,其特征在于,包括三轴岩心夹持器(9)、微裂缝扩展压力系统、微裂缝检测系统、渗流驱替系统和数据采集系统。

2.根据权利要求1所述的一种致密储层微裂缝扩展及渗流特征测试装置,其特征在于,所述的三轴岩心夹持器(9)包括夹持器筒体、橡胶套、前端堵头、后端堵头和后端密封帽;筒体内壁和橡胶套外壁之间形成围压腔;前端堵头密封结合于橡胶套的前端口,后端堵头能滑动插装于橡胶套的后端口内,橡胶套内壁之内为岩心试样放置腔;密封帽密封结合于夹持器的出口端,密封帽与后端堵头之间形成轴压腔,轴压腔与围压腔完全隔开,可以保证施加的轴向压力远远高于围压;围压腔接口位于夹持器筒体上,轴压腔接口位于密封帽上;

前、后端堵头与岩心接触面均为凹槽结构,凹槽底部中间为超声波探伤检测接口;在前、后端堵头的凹槽两边与岩心接触面上有应力应变检测接口、流体入口和出口。

3.根据权利要求1所述的一种致密储层微裂缝扩展及渗流特征测试装置,其特征在于,所述的微裂缝扩展压力系统包括轴向加压装置和径向加压装置,其中轴向加压装置用来扩展微裂缝,包括轴向压力手摇泵(21)、精密压力表(19)、烧杯(20)和二通开关(39),经耐高压管线把上述设备连接后,接入三轴岩心夹持器(9)的轴压腔接口,打开二通开关(39),轴向压力手摇泵(21)将烧杯(20)中的水压入轴压腔;径向加压装置用来给岩心施加围压,模拟地层上覆压力,包括围压单缸活塞泵(23)、二通开关(40)、精密压力表(22)和烧杯(24),经耐高压管线把上述设备连接后,接入三轴岩心夹持器(9)的围压腔接口,打开二通开关(40),围压单缸活塞泵(23)将烧杯(24)的水压入围压腔。

4.根据权利要求1所述的一种致密储层微裂缝扩展及渗流特征测试装置,其特征在于,所述的微裂缝检测系统包括超声波探伤仪(10)和应力应变检测仪(11),其中超声波探伤仪(10)通过测量超声波在岩心中的传播时间,计算出超声波的波速,以及测量超声波曲线,计算超声波曲线下的面积,利用波速和面积两个指标来监测岩心的微裂缝发育与演化特征,包括发射换能器、接收换能器和超声波仪,将发射换能器、接收换能器分别安装在前、后端堵头的凹槽中,与凹槽底部中间的超声波探伤检测接口相连,经过导线连接超声波仪;应变检测仪(11)通过测量得到岩心在轴向、径向方向的应力应变曲线,利用应力应变曲线的变化来监测岩心微裂缝的扩展和变形特征,包括径向应变测量片、轴向应变片和应力应变仪,径向应变测量片贴于靠近后端堵头的岩心端面上,与后端堵头上的应力应变检测接口相连,轴向应变片贴于靠近前端堵头的岩心外壁上,与前端堵头上的应力应变检测接口相连,经过导线连接应力应变仪。

5.根据权利要求1所述的一种致密储层微裂缝扩展及渗流特征测试装置,其特征在于,所述的渗流驱替系统包括气体注入装置、液体注入装置和回压加压装置,其中气体注入装置包括气瓶(1)、气体增压中间活塞容器罐(2、3)、进气压力低压调节阀(5)、进气压力高压调节阀(6)、气体增压单缸活塞泵(31)、三通开关(33、34)、二通开关(35)、精密压力表(4)和烧杯(32),气瓶(1)中的气体进入到气体增压中间活塞容器罐(2、3),经气体增压单缸活塞泵(31)增压后,若进行稳态驱替则气体经由进气压力低压调节阀(5)或进气压力高压调节阀(6)通过六通阀(7)进入三轴岩心夹持器(9)的流体入口,若进行非稳态驱替则气体由二通开关(35)通过六通阀(7)进入三轴岩心夹持器(9)的流体入口;液体注入装置包括双缸活塞驱替泵(29)、中间活塞容器油罐(28)、中间活塞容器水罐(25)、精密压力表(26)、六通阀(27)、烧杯(30)和二通开关(41、42),在双缸活塞驱替泵(29)的作用下,通过六通阀(27)的调节,可以分别使中间活塞容器油罐(28)和中间活塞容器水罐(25)的油、水经六通阀(27)进入三轴岩心夹持器(9)的流体入口;回压加压装置包括回压阀(12)、回压手摇泵(14)、精密压力表(13)、二通开关(37)和烧杯(15),经耐高压管线连接后,打开二通开关(37),回压手摇泵(14)将烧杯(15)的水压入回压阀(12)中,回压阀(12)与三轴岩心夹持器(9)的流体出口相连,通过在流体出口施加压力来模拟地层压力环境。

6.根据权利要求1所述的一种致密储层微裂缝扩展及渗流特征测试装置,其特征在于,所述的数据采集系统包括电子天平(18)、电子皂沫流量计(16)、油或水接收计量容器(17)和三通开关(38),经耐高压管线连接后,连入渗流驱替系统中的回压阀(12),通过三通开关(38)控制,当驱替介质为气体时,流入电子皂沫流量计(16)进行测量,当驱替介质为水或油时,流入油或水接收计量容器(17),利用电子天平(18)称量质量,通过测量密度换算出体积,计算流量。

7.一种如权利要求1所述的致密储层微裂缝扩展及渗流特征的方法,其特征在于,所述的测试装置用于不同微裂缝扩展程度下气体的单相渗流特征测量,包括以下步骤:

步骤一:选择带微裂缝的致密储层天然岩心,将径向、轴向应变测量片贴好后,将岩心装入三轴岩心夹持器(9),保证径向、轴向应变片与前、后端堵头上的应力应变检测接口贴紧,岩心前后端面与前、后端堵头凹槽内的声波探头贴紧,拧紧夹持器的前端堵头;打开二通开关(40),利用围压单缸活塞泵(23)给岩心加载围压至3MPa,保持围压恒定,关闭夹持器入口,出口跟抽真空装置连接,对岩心抽真空4-6h后,关闭出口,出口端接入回压加压装置和数据采集系统;

步骤二:打开六通阀(7)上与气体注入装置相连的开关,关闭二通开关(36),打开三通开关(33、34)和二通开关(35),气体直接通入夹持器中,密闭2-4h,观察精密压力表(4、8)有无变化,检查整个驱替装置的气密性;

步骤三:气瓶(1)中的气体进入气体增压中间活塞容器罐(2、3)后,由气体增压单缸活塞泵(31)进行增压至15MPa,由回压手摇泵(14)加回压至10MPa,由进气压力高压调节阀(6)调节注入压力缓慢由0增加至10.5MPa恒定,在这过程中保持围压与注入压力的差值为

3MPa,气体流过岩心,由夹持器出口流出进入回压阀(12)后,保持30-40min后,由电子皂膜流量计(16)测定气体单位时间内的稳定流量,测3-5次,取平均值;然后按照0.5MPa的压力梯度增量来调节注入压力,并随注入压力的变化调节围压,围压每次的增量与注入压力的增量相同,回压保持不变,测定8组不同注入压力下的稳定流量;打开超声波仪测量和记录此时未加轴压状态下超声波的波速和超声波曲线,打开应力应变仪测量和记录径向、轴向应变;把注入压力和围压降到初始的10.5MPa和13.5MPa;

步骤四:打开轴向压力手摇泵(21),给轴压腔逐渐加压,开始对岩心进行微裂缝扩展,加压至10MPa后,恒定轴压保持不变,分别打开超声波仪和应力应变仪测量和记录超声波波速、超声波曲线和径向、轴向的应变;进气压力高压调节阀(6)调节注入压力为10.5MPa恒定,在这过程中保持围压与注入压力的差值为3MPa,回压为10MPa,气体流过岩心,由夹持器出口流出进入回压阀(12)后,保持30-40min后,由电子皂膜流量计(16)测定气体单位时间内的稳定流量,测3-5次,取平均值;然后按照0.5MPa的压力梯度增量来调节注入压力,并随注入压力的变化调节围压,围压每次的增量与注入压力的增量相同,回压保持不变,测定8组不同注入压力下的稳定流量;把注入压力和围压降到初始的10.5MPa和13.5MPa;

步骤五:在轴压20、30、40、50MPa条件下分别重复步骤四,测量和记录4组不同微裂缝扩展条件下的超声波波速、超声波曲线和径向、轴向的应变,以及每组微裂缝扩展条件下的8组稳定压力和稳定流量的气体渗流数据;

步骤六:关闭整个测试装置,绘制轴压0、10、20、30、40、50MPa与超声波波速的关系曲线,绘制轴压0、10、20、30、40、50MPa下的超声波曲线,分析超声波曲线的变化特征,计算每个超声波曲线下的面积,然后以轴压为0MPa时的超声波波速和超声波曲线下的面积为基准,利用微裂缝扩展程度=(任意周压下的超声波波速-轴压为0MPa时的超声波波速)×

100%/轴压为0MPa时的超声波波速和微裂缝扩展程度=(任意周压下的超声波曲线下的面积-轴压为0MPa时的超声波曲线下的面积)×100%/轴压为0MPa时的超声波曲线下的面积两个公式进行计算,得到表征微裂缝扩展的指标参数;分别绘制径向、轴向应变与应力的关系曲线,分析微裂缝扩展程度与岩心变形之间的关系;绘制不同微裂缝扩展程度下的气体压力平方差与流量关系的单相渗流特征曲线。

8.根据权利要求7所述的一种致密储层微裂缝扩展及渗流特征的方法,其特征在于,所述的测试装置用于不同微裂缝扩展程度下油或水的单相渗流特征测量,包括以下步骤:

步骤一:选择带微裂缝的致密储层天然岩心,将径向、轴向应变测量片贴好后,将岩心装入三轴岩心夹持器(9),保证径向、轴向应变片与前、后端堵头上的应力应变检测接口贴紧,岩心前后端面与前、后端堵头凹槽内的声波探头贴紧,拧紧夹持器的前端堵头;打开二通开关(40),利用围压单缸活塞泵(23)给岩心加载围压至3MPa,保持围压恒定,关闭夹持器入口,出口跟抽真空装置连接,对岩心抽真空4-6h后,关闭出口,出口端接入回压加压装置和数据采集系统;

步骤二:打开六通阀(7)、(27)上与中间活塞容器油罐(28)或中间活塞容器水罐(25)中相连的开关,由回压手摇泵(14)加回压至10MPa,利用双缸活塞驱替泵(29)将容器中的油或水驱替进入夹持器中的岩心,恒定注入压力条件下进行驱替,注入压力为10.5MPa,在这过程中保持围压与注入压力的差值为3MPa,油或水流过岩心,由夹持器出口流出进入回压阀(12)后,保持30-40min后,由电子天平(18)称量质量,通过测量密度换算出体积,计算单位时间内的稳定流量,测3-5次,取平均值;然后按照0.5MPa的压力梯度增量来调节注入压力,并随注入压力的变化调节围压,围压每次的增量与注入压力的增量相同,回压保持不变,测定8组不同注入压力下的稳定流量;打开超声波仪测量和记录此时未加轴压状态下超声波的波速和超声波曲线,打开应力应变仪测量和记录径向、轴向应变;把注入压力和围压降到初始的10.5MPa和13.5MPa;

步骤三:打开轴向压力手摇泵(21),给轴压腔逐渐加压,开始对岩心进行微裂缝扩展,加压至10MPa后,恒定轴压保持不变,分别打开超声波仪和应力应变仪测量和记录超声波波速、超声波曲线和径向、轴向的应变;油或水的注入压力为10.5MPa恒定,在这过程中保持围压与注入压力的差值为3MPa,回压为10MPa,油或水流过岩心,由夹持器出口流出进入回压阀(12)后,保持30-40min后,由电子天平(18)测定油或水单位时间内的稳定流量,测3-5次,取平均值;然后按照0.5MPa的压力梯度增量来调节注入压力,并随注入压力的变化调节围压,围压每次的增量与注入压力的增量相同,回压保持不变,测定8组不同注入压力下的稳定流量;把注入压力和围压降到初始的10.5MPa和13.5MPa;

步骤四:在轴压20、30、40、50MPa条件下分别重复步骤三,测量和记录4组不同微裂缝扩展条件下的超声波波速、超声波曲线和径向、轴向的应变,以及每组微裂缝扩展条件下的8组稳定压力和稳定流量的油或水渗流数据;

步骤五:关闭整个测试装置,绘制轴压0、10、20、30、40、50MPa与超声波波速的关系曲线,绘制轴压0、10、20、30、40、50MPa下的超声波曲线,分析超声波曲线的变化特征,计算每个超声波曲线下的面积,然后以轴压为0MPa时的超声波波速和超声波曲线下的面积为基准,利用微裂缝扩展程度=(任意周压下的超声波波速-轴压为0MPa时的超声波波速)×

100%/轴压为0MPa时的超声波波速和微裂缝扩展程度=(任意周压下的超声波曲线下的面积-轴压为0MPa时的超声波曲线下的面积)×100%/轴压为0MPa时的超声波曲线下的面积两个公式进行计算,得到表征微裂缝扩展的指标参数;分别绘制径向、轴向应变与应力的关系曲线,分析微裂缝扩展程度与岩心变形之间的关系;绘制不同微裂缝扩展程度下的油或水的压差与流量关系的单相渗流特征曲线。

9.根据权利要求7或8所述的一种致密储层微裂缝扩展及渗流特征的方法,其特征在于,所述的测试装置将三通开关(38)用油水分离器取代,还可以进行不同微裂缝扩展程度下的油水两相渗流特征测量;三通开关(38)用气液分离器取代,还可以进行不同微裂缝扩展程度下气、水两相和气、油两相渗流特征测量。