欢迎来到知嘟嘟! 联系电话:13336804447 卖家免费入驻,海量在线求购! 卖家免费入驻,海量在线求购!
知嘟嘟
我要发布
联系电话:13336804447
知嘟嘟经纪人
收藏
专利号: 2016108318079
申请人: 河南科技大学
专利类型:发明专利
专利状态:已下证
专利领域: 发电、变电或配电
更新日期:2024-01-05
缴费截止日期: 暂无
价格&联系人
年费信息
委托购买

摘要:

权利要求书:

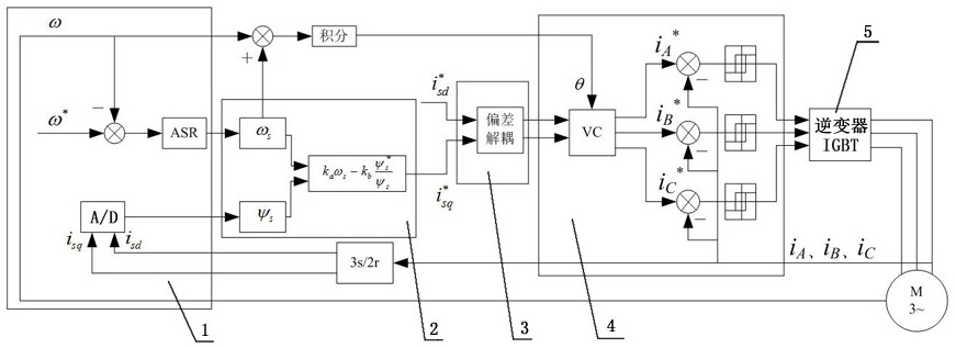
1.基于磁链补偿及偏差解耦的异步电机直流预励磁启动方法,其特征在于:该方法通过设置采样模块、磁链误差补偿模块、偏差解耦模块、预励磁模块、逆变器模块及数字信号处理模块实现,包括以下步骤:步骤一:采样模块采集异步电机的转子角速度ω,将其与给定的转子角速度ω*输入采样模块的转速调节器,转速调节器输出转差ωs;采集异步电机的三相电流值iA、iB及iC,使其经数字信号处理模块通过3s/2r变换得到转矩电流值isq及励磁电流值isd的模拟信号,最后将转矩电流值isq及励磁电流值isd的模拟信号输入采样模块的A/D转换器,A/D转换器输出异步电机定子磁链ψs的数字信号;

步骤二:利用磁链误差补偿模块将步骤一中采集到的异步电机定子磁链ψs的数字信号的波动进行补偿,其转矩电流期望值isq*通过公式isq* =kaωs-kbψs*/ψs计算得到,其中ka、kb为比例系数,ψs*为异步电机定子磁链期望值;励磁电流期望值isd*通过公式isd*=ψr*/Lm计算*得到,其中ψr为转子磁链期望值,Lm为异步电机互感值;

步骤三:将步骤二所得的转矩电流期望值isq*与励磁电流期望值isd*输入数字信号处理模块,从异步电机给定电流期望值和反馈电流的偏差处引入异步电机的外部解耦支路K1及K2来抵消异步电机交叉耦合电压的耦合作用,按照完全解耦的条件即d轴电流只受其d轴给定期望电流值isd*的控制,故可以得出K1、K2的表达式, ,,其中ω1为转子同步角速度,σ为异步电机漏感系数且σ=1-(Lm2/

LrLs),Ls为异步电机定子漏感,Rs为异步电机定子电阻,▽为微分算子,PI为解耦模块的电流控制器的传递函数且PI=kp+ki/▽,其中kp和ki分别为电流控制器的p和i参数,再由整个偏差解耦的原理图得到偏差解耦电压Δusd及Δusq,最终得到解耦后的转矩电流期望值isq’及励磁电流期望值isd’;

步骤四:将步骤一中采集的转子角速度ω与转差ωs求和后的积分及步骤三得到的转矩电流期望值isq’及励磁电流期望值isd’输入预励磁模块中的矢量运算控制器,将矢量运算控制器输出的异步电机三相电流期望值iA*、iB*及iC*通入预励磁模块中的滞环比较控制器,得到控制脉冲;

步骤五:将步骤四中得到的脉冲来控制逆变器模块中IGBT开关的通断来驱动异步电机的启动。

2.根据权利要求1所述的基于磁链补偿及偏差解耦的异步电机直流预励磁启动方法,其特征在于:所述步骤一中通过采样模块采集到的异步电机的转子角速度ω以及异步电机三相电流值iA、iB和ic先经过检测回路进行滤波处理并去除干扰的毛刺信号。