欢迎来到知嘟嘟! 联系电话:13336804447 卖家免费入驻,海量在线求购! 卖家免费入驻,海量在线求购!
知嘟嘟
我要发布
联系电话:13336804447
知嘟嘟经纪人
收藏
专利号: 2016107200559
申请人: 西南交通大学
专利类型:发明专利
专利状态:已下证
专利领域: 发电、变电或配电
更新日期:2024-01-05
缴费截止日期: 暂无
价格&联系人
年费信息
委托购买

摘要:

权利要求书:

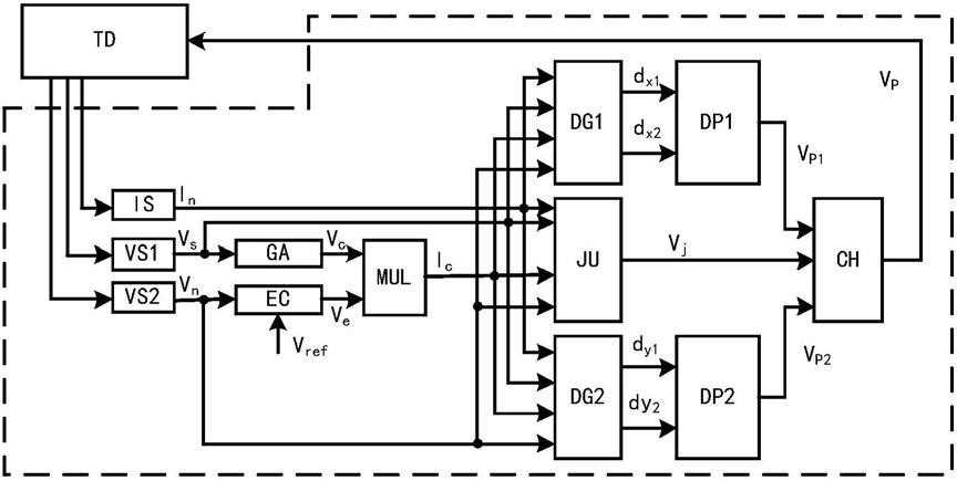
1.一种功率因数校正变换器均值电流控制方法,其特征在于:在每个开关周期开始时刻,检测整流桥的输出电压和输出电流以及所述功率因数校正变换器的输出电压,分别得到信号Vs、In和Vn;将Vs送入放大器得到信号Vc,将Vn和电压基准值Vref送入补偿器得到信号Ve,将Vc和Ve送入乘法器得到信号Ic;将In、Vs、Ic和Vn送入第一占空比生成器得到信号dx1和dx2,将dx1和dx2送入第一脉宽调制器得到信号VP1;将In、Vs、Ic和Vn送入第二占空比生成器得到信号dy1和dy2,将dy1和dy2送入第二脉宽调制器得到信号VP2;将In、Vs、Ic和Vn送入判断器得到信号Vj;将VP1、VP2和Vj送入选择器得到信号VP,用以控制所述功率因数校正变换器开关管的导通与关断。

2.根据权利要求1所述之功率因数校正变换器均值电流控制方法,其特征在于:所述将In、Vs、Ic和Vn送入第一占空比生成器得到信号dx1和dx2的方法是,根据当前开关周期结束时的电感电流值等于Ic以及dx1等于dx2,第一占空比生成器计算dx1和dx2,dx1=dx2=0.5[K1+K2(Ic-In)];所述将In、Vs、Ic和Vn送入第二占空比生成器得到信号dy1和dy2的方法是,根据当前开关周期结束时的电感电流值等于Ic以及当前开关周期内电感电流的平均值等于Ic,第二占空比生成器计算dy1和dy2,dy1=K3In+(K4In2+K5Ic2+K6Ic)1/2,dy2=K7Ic;其中K1、K2、K3、K4、K5、K6和K7是与信号Vn、Vs以及所述功率因数校正变换器的电感电流纹波相关的系数。

3.一种功率因数校正变换器均值电流控制装置,其特征在于:包括电流检测电路IS、第一电压检测电路VS1、第二电压检测电路VS2、补偿器EC、放大器GA、乘法器MUL、第一占空比生成器DG1、第二占空比生成器DG2、第一脉宽调制器DP1、第二脉宽调制器DP2、判断器JU和选择器CH;第一电压检测电路VS1、放大器GA、乘法器MUL依次相连;第二电压检测电路VS2、补偿器EC、乘法器MUL依次相连;电流检测电路IS与第一占空比生成器DG1、判断器JU、第二占空比生成器DG2分别相连;第一电压检测电路VS1与第一占空比生成器DG1、判断器JU、第二占空比生成器DG2分别相连;第二电压检测电路VS2与第一占空比生成器DG1、判断器JU、第二占空比生成器DG2分别相连;乘法器MUL与第一占空比生成器DG1、判断器JU、第二占空比生成器DG2分别相连;第一占空比生成器DG1、第一脉宽调制器DP1、选择器CH依次相连;判断器JU与选择器CH相连;第二占空比生成器DG2、第二脉宽调制器DP2、选择器CH依次相连。