欢迎来到知嘟嘟! 联系电话:13336804447 卖家免费入驻,海量在线求购! 卖家免费入驻,海量在线求购!
知嘟嘟
我要发布
联系电话:13336804447
知嘟嘟经纪人
收藏
专利号: 2016105978185
申请人: 华侨大学
专利类型:发明专利
专利状态:已下证
专利领域: 流体压力执行机构;一般液压技术和气动技术
更新日期:2024-01-05
缴费截止日期: 暂无
价格&联系人
年费信息
委托购买

摘要:

权利要求书:

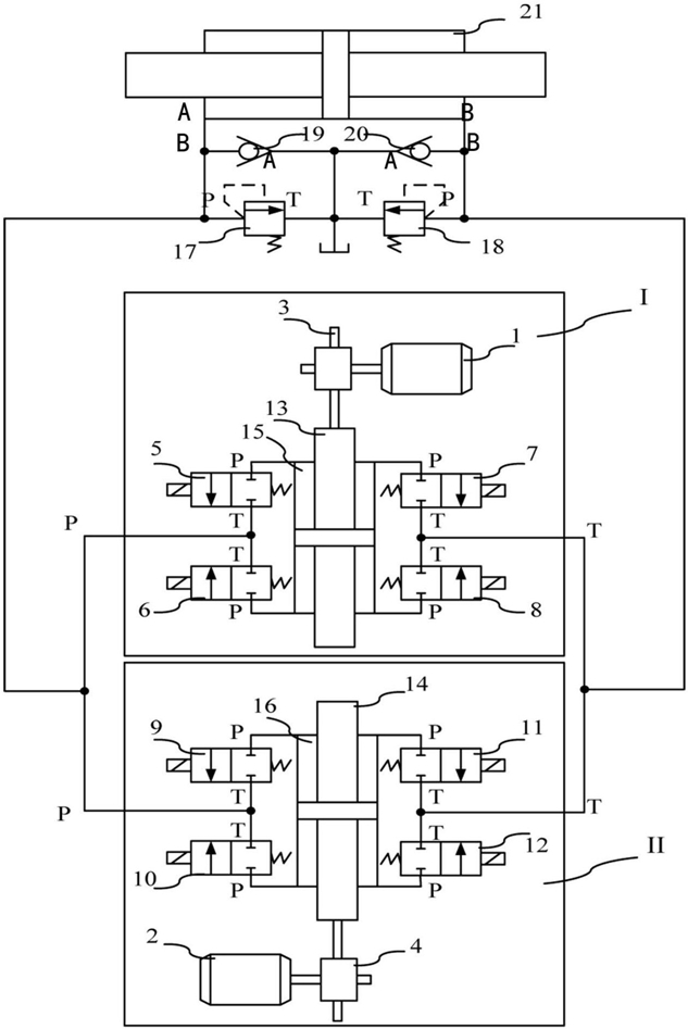
1.一种闭式多单柱塞泵重组控制液压缸系统,其特征在于,包括单柱塞泵I、单柱塞泵II、被控液压缸(21);

单柱塞泵I包括:电动机一(1)、传动机构一(3)、换向阀一(5)、换向阀二(6)、换向阀三(7)、换向阀四(8)、活塞一(13)、柱塞缸体一(15),传动机构一(3)传动连接电动机一(1)与活塞一(13),活塞一(13)安装于柱塞缸体一(15)内,柱塞缸体一(15)包括上腔和下腔,柱塞缸体一(15)上腔的两个进出油口分别与换向阀一(5)和换向阀三(7)的进出油口P相连,柱塞缸体一(15)下腔的两个进出油口分别与换向阀二(6)和换向阀四(8)的进出油口P相连,换向阀一(5)和换向阀二(6)的进出油口T相连作为单柱塞泵I的进出油口P,换向阀三(7)和换向阀四(8)的进出油口T相连作为单柱塞泵I的进出油口T;

单柱塞泵II包括:电动机二(2)、传动机构二(4)、换向阀五(9)、换向阀六(10)、换向阀七(11)、换向阀八(12)、活塞二(14)、柱塞缸体二(16),传动机构二(4)传动连接电动机二(2)与活塞二(14),活塞二(14)安装于柱塞缸体二(16)内,柱塞缸体二(16)包括上腔和下腔,柱塞缸体二(16)上腔的两个进出油口分别与换向阀五(9)和换向阀七(11)的进出油口P相连,柱塞缸体二(16)下腔的两个进出油口分别与换向阀六(10)和换向阀八(12)的进出油口P相连,换向阀五(9)和换向阀六(10)的进出油口T相连作为单柱塞泵II的进出油口P,换向阀七(11)和换向阀八(12)的进出油口T相连作为单柱塞泵II的进出油口T;

单柱塞泵I的进出油口P与单柱塞泵II的进出油口P相连,并与被控液压缸(21)的进出油口A相连;

单柱塞泵I的进出油口T与单柱塞泵II的进出油口T相连,并与被控液压缸(21)的进出油口B相连。

2.根据权利要求1所述的闭式多单柱塞泵重组控制液压缸系统,其特征在于:还包括安全阀一(17)、安全阀二(18)、单向阀一(19)和单向阀二(20);

单柱塞泵I的进出油口P与单柱塞泵II的进出油口P相连,并与安全阀一(17)的进油口P、单向阀一(19)的出油口B以及被控液压缸(21)的进出油口A相连;

单柱塞泵I的进出油口T与单柱塞泵II的进出油口T相连,并与安全阀二(18)的进油口P、单向阀二(20)的出油口B以及被控液压缸(21)的进出油口B相连;

安全阀一(17)和安全阀二(18)的出油口T、单向阀一(19)和单向阀二(20)的进油口A相连,并接油箱。

3.根据权利要求1所述的闭式多单柱塞泵重组控制液压缸系统,其特征在于:单柱塞泵I的活塞一(13)的移动速度按三角波规律进行移动,随着时间进行从零直线递增到设定的最大值,再从设定的最大值直线递减至零,如此作为一个工作周期反复运动;单柱塞泵II的活塞二(14)的移动速度按三角波规律进行移动,随着时间进行从设定的最大值直线递减到零,再从零直线递增到设定的最大值,如此作为一个工作周期反复运动。

4.根据权利要求3所述的闭式多单柱塞泵重组控制液压缸系统,其特征在于:单柱塞泵I的活塞一(13)的移动速度的相位超前或滞后于单柱塞泵II的活塞二(14)半个周期相位。

5.根据权利要求3所述的闭式多单柱塞泵重组控制液压缸系统,其特征在于:单柱塞泵I的活塞一(13)的最大移动速度与单柱塞泵II的活塞二(14)的最大移动速度相等。