欢迎来到知嘟嘟! 联系电话:13336804447 卖家免费入驻,海量在线求购! 卖家免费入驻,海量在线求购!
知嘟嘟
我要发布
联系电话:13336804447
知嘟嘟经纪人
收藏
专利号: 2016105102797
申请人: 中国矿业大学
专利类型:发明专利
专利状态:已下证
专利领域: 发电、变电或配电
更新日期:2024-01-05
缴费截止日期: 暂无
价格&联系人
年费信息
委托购买

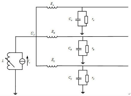
摘要:

权利要求书:

1.一种改进有源补偿技术的中性点电压柔性控制方法,其特征在于,先向配电网中性点注入某一已知电流,得到注入电流后的中性点电压的大小和相角,然后结合电网参数,利用差分法多次迭代计算得到每次需注入电流大小的增量和相角的增量,注入对应的电流,最终实现中性点电压的柔性控制,步骤如下:步骤a:以A相电源电压作为参考向量,设

其中,C∑=CA+CB+CC为系统总的对地电容, 为系统总的绝缘电导,L为消弧线圈电感;根据电网参数(系统对地总电容、投入的消弧线圈电感、对地总电导)计算Y和相角β;

步骤b:注入预测的电流

步骤c:若抑制中性点电压为零,则设A=0,B=0;测量注入电流后的中性点电压的大小(k) (k) (k) (k)和相位得到A 和B ,则ΔA 和ΔB 为:

其中,A(k)和B(k)分别为对应的k次循环实际测得的中性点电压的实部和虚部;

步骤d:判断max|ΔA(k),ΔB(k)|<ε(ε为函数取值的误差小于给定的容许值),若判断成立,则调节成功;若判断不成立,则进行下面步骤;

步骤e:计算 矩阵:

步骤f:求解修正方程式

得到修正量 和ΔIs′(k),由此得到修正后的 和Is(k+1):将其作为新的注入电流值,重新代入步骤c,通过多次迭代,直到中性点电压为零。

2.如权利要求1所述的一种改进有源补偿技术的中性点电压柔性控制方法,其特征在于,步骤b所述的初始注入电流 考虑到实际中计算误差和测量误差的影响,以及减少迭代次数,初始注入电流应接近准确值:式(6)中 为架空线路电网不对称度,α=ej120, 为电源电压,C∑为电网总电容;由于架空线路电网不对称度ρ通常为0.5%~1.5%,则可取平均值ρav=1%。

3.如权利要求1所述的一种改进有源补偿技术的中性点电压柔性控制方法,其特征在于,步骤c中所述的抑制中性点电压为零,亦可控制中性点电压到任意非零的目标值,可在不改变系统接地方式的前提下,快速补偿系统的不对称电压。

4.如权利要求1所述的一种改进有源补偿技术的中性点电压柔性控制方法,其特征在于,步骤e中所述的 矩阵,其计算方法如下:矩阵 中的元素H(k)、N(k)、M(k)、L(k)应是在注入的电流对应取值为Is(k)和 时,由上式(7)得到。