欢迎来到知嘟嘟! 联系电话:13336804447 卖家免费入驻,海量在线求购! 卖家免费入驻,海量在线求购!
知嘟嘟
我要发布
联系电话:13336804447
知嘟嘟经纪人
收藏
专利号: 2016103619830
申请人: 衢州职业技术学院
专利类型:发明专利
专利状态:已下证
专利领域: 清洁
更新日期:2023-08-24
缴费截止日期: 暂无
价格&联系人
年费信息
委托购买

摘要:

权利要求书:

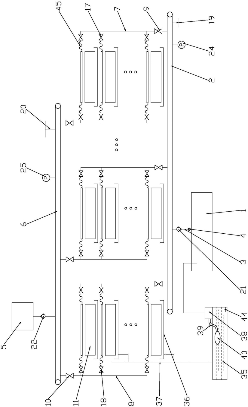
1.一种光伏组件自动清洗系统,其特征在于:包括水冲洗系统、空气清洗系统和并列设置的多个光伏清洗单元;所述水冲洗系统包括清洁水池和均压水管,所述清洁水池和所述均压水管之间的连接管上设有高压水泵;所述空气清洗系统包括空气压缩机和与所述空气压缩机相连的均压气管;

所述光伏清洗单元包括与所述均压水管相连的水清洗总管和与所述均压气管相连的空气清洗总管;所述水清洗总管上设有水清洗控制总阀,所述空气清洗总管上设有空气清洗控制总阀;且所述光伏清洗单元还包括并列设置的清洗机构;

所述清洗机构包括分别对应设置在位于光伏组件两侧的光伏支架上的两根导轨,两根所述导轨上分别设有与其滑动配合的滑块,两个所述滑块之间设置均位于所述光伏组件上方的喷水管和喷气管,所述喷水管上设有朝向所述光伏组件喷射高压水的喷水缝,所述喷气管上设有朝向所述光伏组件喷射高压空气的喷气缝;所述喷水管与所述水清洗总管相连,所述喷气管与所述空气清洗总管相连;所述光伏支架上设有用于驱动所述滑块沿着所述导轨滑动并使所述喷水管和喷气管在所述光伏组件上方做往复运动的驱动机构;

还包括自动清洗控制系统,所述自动清洗控制系统包括控制器、设置在所述均压水管内的压力传感器Ⅰ、设置在均压气管内的压力传感器Ⅱ和光伏组件清洁度传感器,所述光伏组件清洁度传感器包括始终保持清洁状态的清洁度对比光伏组件和与所述控制器电连接的数据采集器,所述数据采集器分别采集所述清洁度对比光伏组件的单位面积输出功率以及各个光伏清洗单元中的所述光伏组件的单位面积输出功率、并将采集的数据传输至所述控制器内,所述控制器上电连接设有与所述高压水泵电连接并用于控制所述高压水泵的高压水泵控制电路、与所述空气压缩机电连接并用于控制所述空气压缩机的压缩机控制电路和与所述驱动机构的动力装置电连接并用于控制所述驱动机构动作的驱动机构控制电路;

所述水清洗控制总阀、所述空气清洗控制总阀、所述压力传感器Ⅰ和压力传感器Ⅱ均与所述控制器电连接。

2.根据权利要求1所述的光伏组件自动清洗系统,其特征在于:每一根所述喷水管与所述水清洗总管之间均设有水清洗控制阀,每一根所述喷气管与所述空气清洗总管之间均设有空气清洗控制阀,所述水清洗控制阀和所述空气清洗控制阀均与所述控制器电连接。

3.根据权利要求2所述的光伏组件自动清洗系统,其特征在于:所述水清洗控制总阀、空气清洗控制总阀、水清洗控制阀和空气清洗控制阀均采用电磁换向阀。

4.根据权利要求1所述的光伏组件自动清洗系统,其特征在于:还包括水循环系统,所述水循环系统包括污水沉淀池和设置在所述光伏组件下方的集水槽,所述集水槽与所述污水沉水池之间设有集水管相连,且所述污水沉淀池上设有将沉淀后的清水抽至所述清洁水池的水泵。

5.根据权利要求4所述的光伏组件自动清洗系统,其特征在于:所述水泵上设有水泵进水管,所述水泵进水管上设有悬浮进水装置,所述悬浮进水装置包括固定安装在所述水泵进水管上的悬浮壳体,所述悬浮壳体的底部设有配重块,且所述水泵进水管的进水口处设有滤网。

6.根据权利要求4所述的光伏组件自动清洗系统,其特征在于:所述污水沉淀池内设有与所述控制器电连接的浊度计。

7.根据权利要求1所述的光伏组件自动清洗系统,其特征在于:所述清洁度对比光伏组件的光伏支架的两侧分别设有对比导轨,所述对比导轨上设有对比滑块,两个所述对比滑块之间设有对比喷水管和对比喷气管,所述对比喷水管上设有朝向所述清洁度对比光伏组件喷射清洗水的对比喷水缝,所述对比喷气管上设有朝向所述清洁度对比光伏组件喷射空气的对比喷气缝。

8.根据权利要求7所述的光伏组件自动清洗系统,其特征在于:所述对比喷水缝喷射的高压水与所述清洁度对比光伏组件之间的夹角、以及所述对比喷气缝喷射的高压空气与所述清洁度对比光伏组件之间的夹角相等,并为20-40°。

9.根据权利要求1-8任一项所述的光伏组件自动清洗系统,其特征在于:所述喷水缝喷射的高压水与所述光伏组件之间的夹角、以及所述喷气缝喷射的高压空气与所述光伏组件之间的夹角相等,并为20-40°;所述喷水管与所述水清洗总管之间、以及所述喷气管与所述空气清洗总管之间均设有软管。

10.根据权利要求1所述的光伏组件自动清洗系统,其特征在于:所述均压水管上设有放水开关,所述均压气管上设有放气开关;所述高压水泵与均压水管之间设有单向阀Ⅰ,所述空气压缩机和均压气管之间设有单向阀Ⅱ。