欢迎来到知嘟嘟! 联系电话:13336804447 卖家免费入驻,海量在线求购! 卖家免费入驻,海量在线求购!
知嘟嘟
我要发布
联系电话:13336804447
知嘟嘟经纪人
收藏
专利号: 2016103434196
申请人: 浙江大学
专利类型:发明专利
专利状态:无效专利
专利领域: 测量;测试
更新日期:2023-08-24
缴费截止日期: 暂无
价格&联系人
年费信息
委托购买

摘要:

权利要求书:

1.一种多轴斜置光纤陀螺组合标度因数性能的测试方法,其特征在于,该方法先通过转台试验和相应的数据处理测算出多轴斜置光纤陀螺组合中各只陀螺的敏感轴相对三轴转台外框旋转轴的安装误差EqZ;当三轴转台外框旋转轴上的输入角速率为ωi′时,通过安装误差EqZ,在标度因数试验和相应的数据处理中可以求得多轴斜置光纤陀螺组合中各只陀螺敏感轴上的输入角速率Ωqi;在外框旋转轴上的输入角速率为ωi′下,采集多轴斜置光纤陀螺组合中各只陀螺在t时间内的累积输出Rqi;最后针对多轴斜置光纤陀螺组合中各只陀螺以Ωqi作为敏感轴角速率的输入序列,以Rqi作为陀螺的输出序列,根据《GJB2426A-2004光纤陀螺仪测试方法》一次性对多轴斜置光纤陀螺组合中所有陀螺的标度因数性能进行测试;

所述转台试验和相应的数据处理具体包括以下步骤:

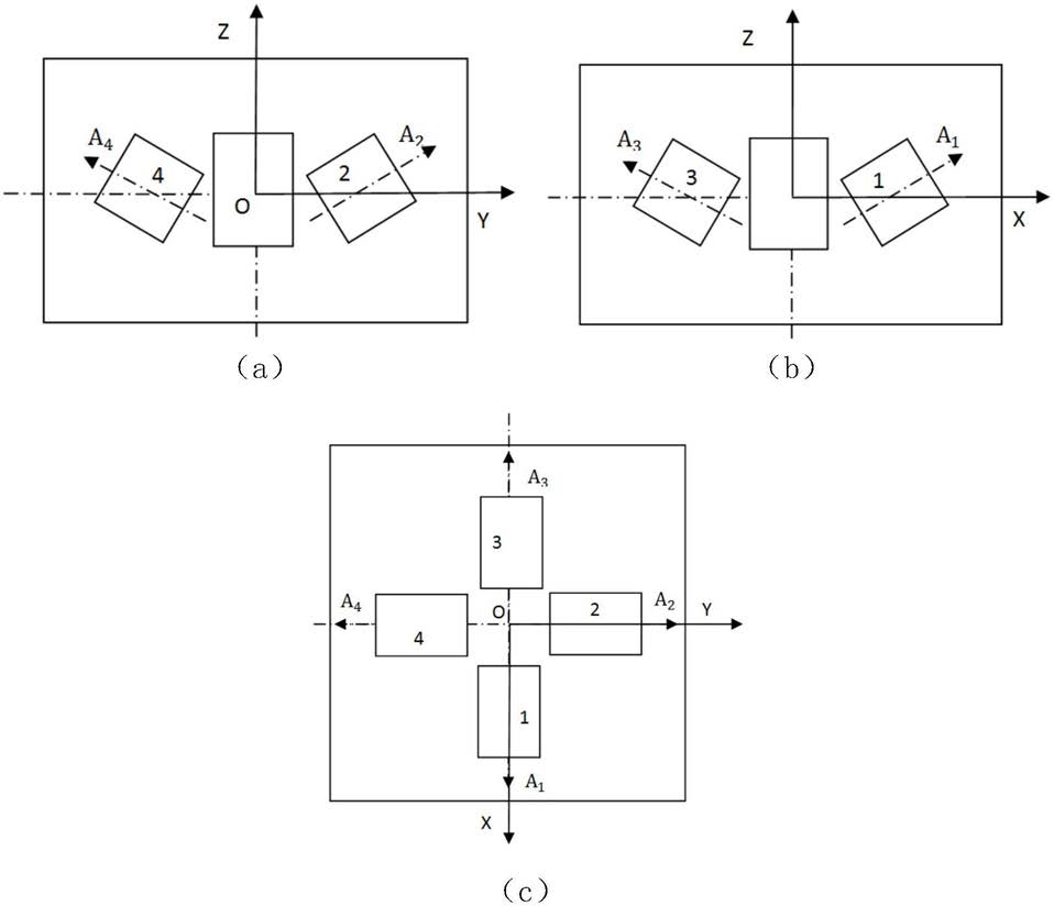
(1)将多轴斜置光纤陀螺组合安装在三轴转台上,并使得多轴斜置光纤陀螺组合的基体系Z轴与转台外框旋转轴重合;

(2)将基体系Z轴与外框旋转轴重合后,选定转台的角速率为ω,分别以±ω转动转台的外框,转动时间为t,采集敏感轴q的陀螺在t时间内的累积输出,得到正转的累积输出RqZ+和反转的累积输出RqZ-;其中,q=A1、A2、A3...AN,|ω|*t=360°*Q,N为多轴斜置光纤陀螺组合中陀螺轴的个数,Q为正整数,ω单位为°/s,t的单位为s;下标Z代表基体系Z轴与外框旋转轴重合,下标+表示正转,下标-表示反转,逆时针为正转,顺时针为反转;

(3)调整内框、中框的位置,使基体系的X轴、Y轴分别与外框旋转轴重合,重复步骤(2),分别得到基体系X轴与外框旋转轴重合后多轴斜置陀螺组合中敏感轴q在正转和反转下的累积输出RqX+、RqX-以及基体系Y轴与外框旋转轴重合后多轴斜置陀螺组合中敏感轴q在正转和反转下的累积输出RqY+、RqY-;

(4)经过步骤(2)和步骤(3),得到多轴斜置陀螺组合中各只陀螺的累积输出为RqZ+、RqZ-、RqX+、RqX-和RqY+、RqY-;根据安装误差的计算原理可得多轴斜置光纤陀螺组合中敏感轴为q的陀螺与外框旋转轴的安装误差EqZ:

2.根据权利要求1所述的多轴斜置光纤陀螺组合标度因数性能的测试方法,其特征在于,所述标度因数试验和相应的数据处理具体包括以下步骤:(a)根据《GJB2426A-2004光纤陀螺仪测试方法》中单轴光纤陀螺标度因数测试方法,选取M个速率点ωi,i=1,2…M;

(b)根据安装误差EqZ,在每个速率为ωi下,求得转台的外框转动时的速率为(c)将基体系Z轴与外框旋转轴重合,分别以ωi′转动转台的外框,i=1,2…M,转动时间为t,采集敏感轴q的陀螺在t时间内的累积输出Rqi,其中,|ωi′|*t=360°*Q,Q为正整数,下标i代表对应速率点的编号;

(d)当转台的外框转动的速率为ωi′时,多轴斜置光纤陀螺组合中陀螺敏感轴q上的输入角速率Ωqi为Ωqi=ωi′*EqZ;

(e)对多轴斜置陀螺组合的各只陀螺,以Ωqi作为敏感轴角速率的输入序列;以步骤(c)采集得到的Rqi作为陀螺的输出序列;根据文件《GJB2426A-2004光纤陀螺仪测试方法》计算出多轴斜置光纤陀螺组合中各只陀螺对应的标度因数的非线性度、重复性、不对称性。