欢迎来到知嘟嘟! 联系电话:13336804447 卖家免费入驻,海量在线求购! 卖家免费入驻,海量在线求购!
知嘟嘟
我要发布
联系电话:13336804447
知嘟嘟经纪人
收藏
专利号: 2015203277054
申请人: 浙江大学
专利类型:实用新型
专利状态:已下证
专利领域: 测量;测试
更新日期:2023-08-24
缴费截止日期: 暂无
价格&联系人
年费信息
委托购买

摘要:

权利要求书:

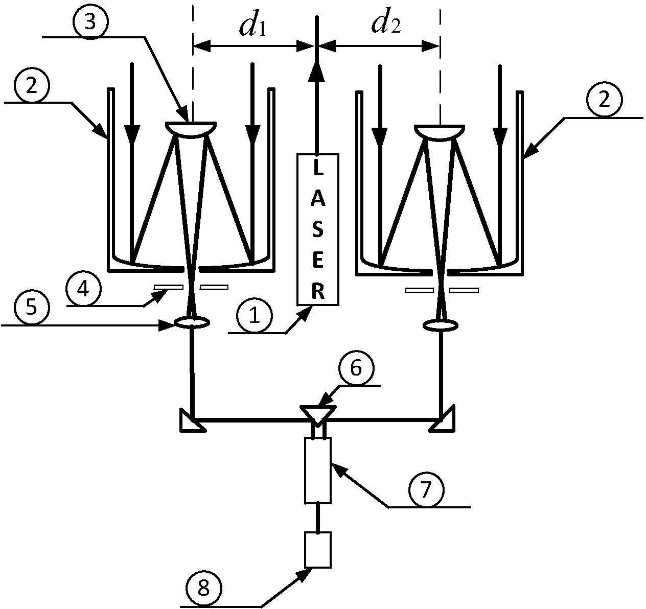
1.一种基于望远镜阵列的大气遥感激光雷达光学接收装置,其特征在于包括望远镜阵列、视场光阑、准直透镜、反射棱镜、后续光路处理模块和光电探测器;望远镜阵列中各望远镜相对于激光器发射出的激光旋转对称分布,各望远镜的光轴与出射激光光轴互相平行且等距,使得重叠因子相同;

激光器发射的激光入射到某一目标区域大气,由该区域中粒子后向散射生成的回波信号被望远镜阵列中各望远镜同时接收,形成多个相对于发射激光旋转对称分布的接收光路;每个光路被各自光路上的视场光阑滤除视场外的背景光,经准直透镜后变为平行光,再由同一个反射棱镜将上述所有光路中方向不同的平行光转折汇聚为方向相同的反射光,通过后续光路处理模块进行滤波、再汇聚,最后被光电探测器同时接收。

2.如权利要求1所述的一种基于望远镜阵列的大气遥感激光雷达光学接收装置,其特征在于所述的各个望远镜出射的回波信号到光电探测器的光程相同。

3.如权利要求1所述的一种基于望远镜阵列的大气遥感激光雷达光学接收装置,其特征在于所述的望远镜阵列包括n个望远镜,n≥2。

4.如权利要求3所述的一种基于望远镜阵列的大气遥感激光雷达光学接收装置,其特征在于所述的由n个望远镜组成的望远镜阵列,其对应的反射棱镜如下:若n=2时,对应的反射棱镜是等腰直角棱镜;

若n≥3时,对应的反射棱镜要求是底面为正n边形的等腰棱锥,底边D和腰H之间需要满足

5.如权利要求1所述的一种基于望远镜阵列的大气遥感激光雷达光学接收装置,其特征在于所述的反射棱镜的反射面均镀增反膜。