欢迎来到知嘟嘟! 联系电话:13095918853 卖家免费入驻,海量在线求购! 卖家免费入驻,海量在线求购!
知嘟嘟
我要发布
联系电话:13095918853
知嘟嘟经纪人
收藏
专利号: 2015108467083
申请人: 成都信息工程大学
专利类型:发明专利
专利状态:已下证
专利领域: 测量;测试
更新日期:2024-01-05
缴费截止日期: 暂无
价格&联系人
年费信息
委托购买

摘要:

权利要求书:

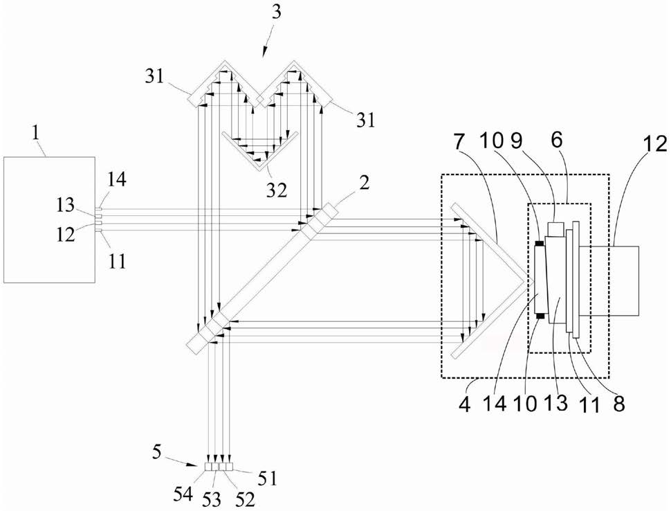
1.一种波长修正式多光束级联阶梯角反射镜激光干涉仪,包括激光源(1)、分光镜(2)、阶梯平面角反射镜组(3)、测量角反射镜装置(4)、光电探测器组(5),其特征在于:所述激光源(1)包括n个平行激光束,其中n≥2,所述光电探测器组(5)包括n个光电探测器件;

所述阶梯平面角反射镜组(3)包括m个阶梯平面角反射镜(31)与m-1个常规角反射镜配(32)对组成,m≥2,每个所述阶梯平面角反射镜(31)具有成直角的两个反射阶梯面,每个所述反射阶梯面包括n个成阶梯型的反射平面,相邻两个反射平面的间距等于其中k为自然数、λ为所述激光源(1)发出的激光波长;

所述常规角反射镜(32)包括成直角的两个反射平面,所述测量角反射镜装置(4)包括测量角反射镜(7)与精密位移装置(6),测量角反射镜(7)包括成直角的两个反射平面,所述测量角反射镜(7)设置在所述精密位移装置(6)上,所述精密位移装置(6)设置在被测物体(12)上,所述精密位移装置(6)为所述测量角反射镜(7)提供与被测物体(12)位移同向或反向的位移;

所述激光源(1)发出的每束激光经过所述分光镜(2)反射后,分别射入对应一个反射平面,每个所述反射平面将每束激光反射到对应的所述光电探测器组(5)的各个光电探测器件;所述激光源(1)发出的每束激光经过所述分光镜(2)透射后,分别入射到所述测量角反射镜(7)后再反射到对应的光电探测器组(5)的各个光电探测器件。

2.根据权利要求1所述的一种波长修正式多光束级联阶梯角反射镜激光干涉仪,其特征在于,所述精密位移装置包括支撑平台和设置在所述支撑平台上的驱动 装置,所述支撑平台与所述被测物体相配合,所述驱动装置为所述测量角反射镜提供在被测物体位移方向上的位移。

3.如权利要求2所述的一种波长修正式多光束级联阶梯角反射镜激光干涉仪,其特征在于,所述驱动装置为压电陶瓷型驱动装置。

4.如权利要求2或3所述的一种波长修正式多光束级联阶梯角反射镜激光干涉仪,其特征在于,还包括设置在所述支撑平台上的第一位移件和设置在所述第一位移件上的第二位移件,所述驱动装置与所述第一位移件相配合,为所述第一位移件提供沿所述支撑平台的位移,所述第一位移件具有一相对于其位移方向倾斜的斜面,所述第二位移件滑动设置在所述第一位移件的斜面上,使所述第二位移件可沿所述第一位移件的斜面滑动,所述第一位移件与第二位移件之间贴紧配合,所述测量角反射镜设置在所述第二位移件上,所述支撑平台上还设置有约束装置,所述约束装置限制所述第二位移件沿所述第一位移件位移方向上的运动,使得当第一位移件被所述驱动装置带动而产生位移时,所述第二位移件被所述第一位移件带动而产生位移,并且,所述第二位移件的位移方向与所述第一位移件的位移方向相垂直,所述第一位移件的斜面与其位移方向的夹角为A度,0

5.如权利要求4所述的波长修正式多光束级联阶梯角反射镜激光干涉仪,其特征在于,所述第一位移件与所述支撑平台之间还设置有具有磁性的磁性件,所述第二位移件具有磁性,所述第二位移件与所述磁性件为异性相吸状态。

6.如权利要求4所述的波长修正式多光束级联阶梯角反射镜激光干涉仪,其特征在于,所述第二位移件与所述测量角反射镜为一体式结构。

7.一种采用如权利要求1-6任意一项所述波长修正式多光束级联阶梯角反射镜 激光干涉仪的测量方法,其特征在于,其包括下述步骤:步骤一:安装波长修正式多光束级联阶梯角反射镜激光干涉仪;

步骤二:将测量角反射镜装置设置在被测物体上;

步骤三:调试波长修正式多光束级联阶梯角反射镜激光干涉仪,使形成符合要求的光路,并且使每一个条干涉光路都处于干涉状态;

步骤四:开始测量工作前,启动精密位移装置,使测量角反射镜产生位移,所述测量角反射镜的位移方向与被测物体的位移方向在同一直线上,当光电探测器组中有任意一个检测到最强相长干涉时,停止精密位移装置,并将光电探测器组计数清零;

步骤五:开始测量工作,被测物体开始移动,光电探测器组中所有光电探测器记录对应干涉光路的最强相长干涉的总次数N;

步骤六:被测物体位移结束,处于静止状态,再次启动精密位移装置,使测量角反射镜产生位移,所述测量角反射镜的位移方向与被测物体的位移方向在同一直线上,当光电探测器组中任意一个光电探测器再次检测到最强相长干涉时,停止所述精密位移装置,使测量角反射镜停止;

步骤七:读取精密位移装置为所述测量角反射镜提供的位移值△L;

步骤八:记录测量过程中光电探测器组记录的最强相长干涉总次数N和测量角反射镜位移值△L。

步骤九:再次启动精密位移装置,移动测量角反射镜,使光电探测器组记录最强相长干涉的总次数M(M为正整数),并读取M次最强相长干涉对应的测量角反射镜位移值Z。根据Z=M×λ’/(2n),得出当前测量环境下,激光的等效波长λ’=2nZ/M。

步骤十:计算被测物体的位移值。

若位移△L与被测物体的位移方向相同,则,被测物体实际产生的位移值L=N×λ’/(2n)+(λ’/(2n)-△L),其中△L<λ’/(2n),式中λ’为激光等效波长;

若位移△L与被测物体的位移方向相反,则,被测物体实际产生的位移值L=N×λ’/(2n)+△L,其中△L<λ’/(2n),式中λ’为激光等效波长。

8.如权利要求7所述的测量方法,其特征在于,所述步骤四至步骤九中,所述最强相长干涉还可以为最弱相消干涉。