欢迎来到知嘟嘟! 联系电话:13336804447 卖家免费入驻,海量在线求购! 卖家免费入驻,海量在线求购!
知嘟嘟
我要发布
联系电话:13336804447
知嘟嘟经纪人
收藏
专利号: 2015104818165
申请人: 西南交通大学
专利类型:发明专利
专利状态:已下证
专利领域: 发电、变电或配电
更新日期:2024-01-05
缴费截止日期: 暂无
价格&联系人
年费信息
委托购买

摘要:

权利要求书:

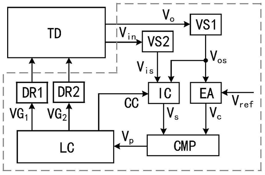
1.一种LLC谐振变换器变频控制方法,在LLC谐振变换器中获得更为良好的瞬态响应,其特征在于:在每个开关周期内,检测输出电压,得到信号Vos,检测输入电压,得到信号Vis;

将Vos和电压基准值Vref送入误差放大器产生控制信号Vc;将Vos和Vis送入受控积分器经过积分后产生信号Vs;将Vc和Vs同时送入比较器生成信号Vp,将Vp送入到逻辑电路产生信号CC、信号VG1和信号VG2,信号CC控制受控积分器的复位,信号VG1和信号VG2控制变换器开关管的导通和关断。

2.一种实现权利要求1所述的LLC谐振变换器变频控制方法的装置,其特征在于:由第一电压检测电路VS1、第二电压检测电路VS2、误差放大器EA、受控积分器IC、比较器CMP、逻辑电路LC、第一驱动电路DR1以及第二驱动电路DR2组成;第一电压检测电路VS1与误差放大器EA相连;第一电压检测电路VS1和第二电压检测电路VS2与受控积分器IC相连;误差放大器EA和受控积分器IC的输出端连接在比较器CMP的输入端,比较器CMP的输出端与逻辑电路LC的输入端相连,逻辑电路LC的输出端分别连接受控积分器IC、第一驱动电路DR1和第二驱动电路DR2。

3.根据权利要求2所述的装置,其特征在于:所述的逻辑电路LC的具体组成为:由D触发器,延时器TL,与门AND,同或门NOR以及异或门XOR组成;D触发器的输出端连接至延时器TL的输入端;D触发器与延时器TL的输出端和与门AND的输入端相连,D触发器与延时器TL的输出端和同或门NOR的输入端相连,D触发器与延时器TL的输出端和异或门XOR的输入端相连。