欢迎来到知嘟嘟! 联系电话:13336804447 卖家免费入驻,海量在线求购! 卖家免费入驻,海量在线求购!
知嘟嘟
我要发布
联系电话:13336804447
知嘟嘟经纪人
收藏
专利号: 201510353874X
申请人: 金陵科技学院
专利类型:发明专利
专利状态:已下证
专利领域: 水利工程;基础;疏浚
更新日期:2024-01-05
缴费截止日期: 暂无
价格&联系人
年费信息
委托购买

摘要:

权利要求书:

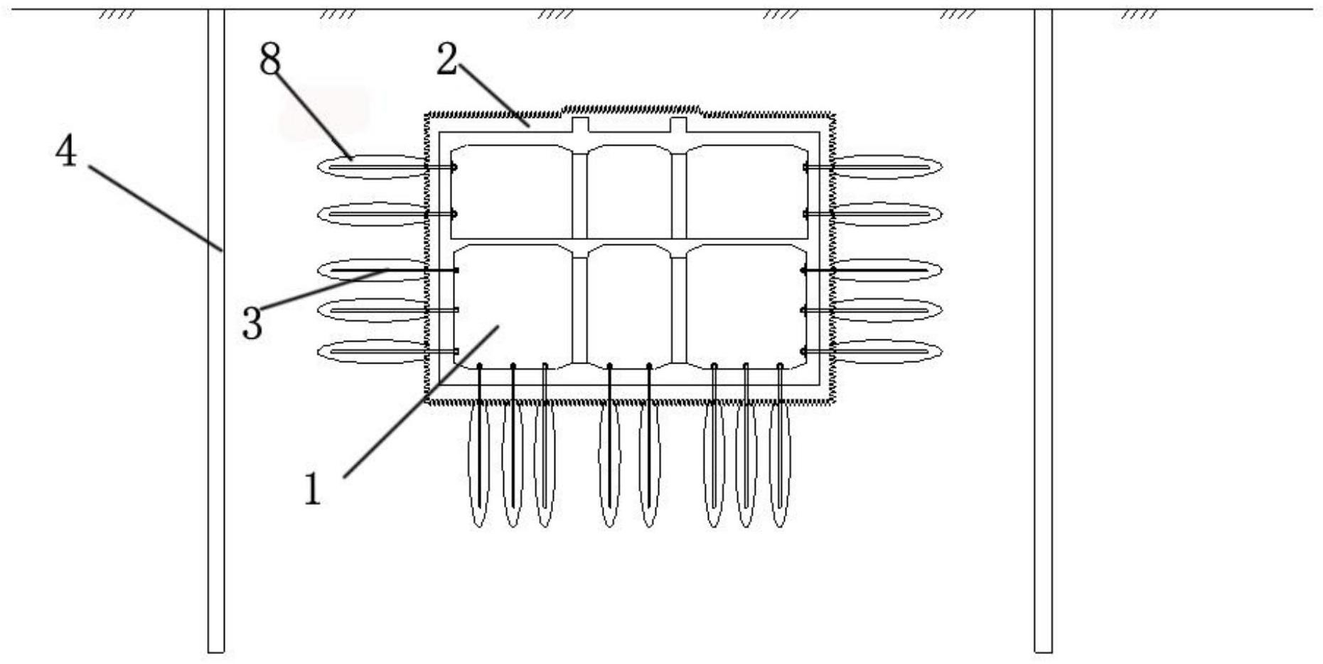
1.一种地下结构的抗震加固结构,地下结构位于周围土体中,其特征在于:周围土体与地下结构之间设置若干锚杆加固,锚杆一端伸入周围土体,另一端固定于地下结构。

2.根据权利要求1所述的地下结构的抗震加固结构,其特征在于:地下结构包括顶板、侧板以及底板,侧板与周围土体之间设有减震层,锚杆位于侧板与周围土体之间,锚杆一端伸入周围土体,另一端固定于地下结构,中间穿过减震层。

3.根据权利要求2所述的地下结构的抗震加固结构,其特征在于:地下结构的底板与下方土体之间设有减震层,减震层为泡沫树脂层。

4.根据权利要求1所述的地下结构的抗震加固结构,其特征在于:地下结构的中柱外围设有钢框架,钢框架与中柱之间灌填环氧砂浆固化为一体。

5.根据权利要求4所述的地下结构的抗震加固结构,其特征在于:钢框架包括安装于中柱四角的角钢,各角钢通过钢板焊接为一体,钢板与中柱的间隙灌填环氧砂浆将钢框架与中柱固化为一体。

6.根据权利要求1所述的地下结构的抗震加固结构,其特征在于:地下结构的左右前后任意方向上设有隔震墙,隔震墙将地下结构的周围土体与外部土体隔离。

7.根据权利要求1或2所述的地下结构的抗震加固结构,其特征在于:锚杆为中空结构,且侧壁设有孔洞,通过孔洞向锚杆内高压注入水泥砂浆以固定锚杆和加固土体。

8.—种地下结构的抗震加固方法,其特征在于包括如下步骤: 第一步:设置减震层,在地下结构的侧板和底板外围,钻孔后通过钻孔高压注入泡沫树月旨,形成减震层; 第二步:利用注入泡沫树脂的钻孔,向土体内部打入锚杆,向锚杆内高压注浆; 第三步:加固地下结构的中柱,外粘型钢法加固法,将角钢粘贴在中柱的四个角位置,并用钢板将四根角钢焊接成一体,并将钢板与中柱的间隙用环氧砂浆灌填; 第四步:在距离地下结构一定位置处,设置一定深度的隔震墙。