欢迎来到知嘟嘟! 联系电话:13336804447 卖家免费入驻,海量在线求购! 卖家免费入驻,海量在线求购!
知嘟嘟
我要发布
联系电话:13336804447
知嘟嘟经纪人
收藏
专利号: 2015103486459
申请人: 浙江理工大学
专利类型:发明专利
专利状态:已下证
专利领域: 制冷或冷却;加热和制冷的联合系统;热泵系统;冰的制造或储存;气体的液化或固化
更新日期:2024-10-26
缴费截止日期: 暂无
价格&联系人
年费信息
委托购买

摘要:

权利要求书:

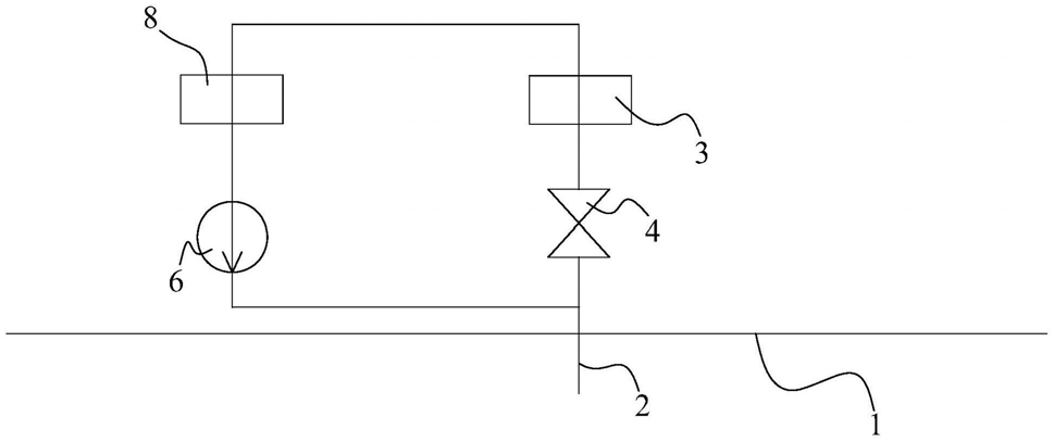
1.一种超重力制冷装置;包括超重力旋转装置和制冷装置;其特征是:所述超重力旋转装置包括转轴(2);

所述制冷装置包括设置于转轴(2)上的蒸发器(3)、冷凝器(8)、液体工质泵(6)、节流阀(4);

所述蒸发器(3)的蒸发管道一端与冷凝器(8)的冷凝管道一端相连接;

所述冷凝器(8)的冷凝管道另外一端与液体工质泵(6)的液体进口相连接;

所述液体工质泵(6)的液体出口通过节流阀(4)与蒸发器(3)的蒸发管道另外一端相连接;

所述蒸发器(3)和节流阀(4)布置在转轴(2)的轴心位置,冷凝器(8)、液体工质泵(6)布置在转轴(2)的回转半径上。

2.根据权利要求1所述的超重力制冷装置,其特征是:所述转轴(2)上设置有支撑蒸发器(3)、冷凝器(8)、液体工质泵(6)、节流阀(4)的底座(1)。

3.根据权利要求2所述的超重力制冷装置,其特征是:蒸发器(3)与冷凝器(8)的连接管道设置一根或多根。

4.根据权利要求2所述的超重力制冷装置,其特征是:所述蒸发器(3)和冷凝器(8)之间的连接管道为多根,该连接管道绕转轴(2)的轴心对称布置。

5.根据权利要求4所述的超重力制冷装置,其特征是:所述蒸发器(3)、冷凝器(8)、液体工质泵(6)、节流阀(4)及其连接管道内部所采用的工质为单组分有机工质,其临界点温度为40℃~100℃。

6.利用如权利要求1~5任一所述的超重力制冷装置进行的超重力制冷方法,其特征是:转轴(2)带动蒸发器(3)、冷凝器(8)、液体工质泵(6)、节流阀(4)以一定角速度旋转;

从蒸发器(3)流出的低压气体在离心力和压差的共同作用下流动到冷凝器(8)的冷凝管道时被增压到高压,温度上升,高压气体在冷凝器(8)中向外部高温冷源放热后,变成高温高压液体;

所述高温高压液体进入液体工质泵(6),被加压到超高压成为超高压液体,同时温度升高;

所述超高压液体在离心力和压差的共同作用下流动到节流阀(4)进口时重新变成高压液体;

高压液体进入节流阀(4),压力降低后,温度也降低,变成低温低压的气液混合物进入蒸发器(3)的蒸发管道,吸收外部低温热源的热量后,变成饱和的低压气体;

低压气体从蒸发器(3)的蒸发管道流出后在离心力和压差的共同作用下流向冷凝器(8)的冷凝管道,并按照以上所述步骤循环。

7.根据权利要求6所述的超重力制冷方法,其特征是:当外部热源温度提高或外部冷源温度降低时,提高转轴(2)的转速保持合理的传热温差,减小不可逆损失;

当外部热源温度降低或外部冷源温度提高时,降低转轴(2)的转速保持合理的传热温差,减小不可逆损失。