欢迎来到知嘟嘟! 联系电话:13336804447 卖家免费入驻,海量在线求购! 卖家免费入驻,海量在线求购!
知嘟嘟
我要发布
联系电话:13336804447
知嘟嘟经纪人
收藏
专利号: 2015103048168
申请人: 长春理工大学
专利类型:发明专利
专利状态:已下证
专利领域: 测量;测试
更新日期:2024-02-28
缴费截止日期: 暂无
价格&联系人
年费信息
委托购买

摘要:

权利要求书:

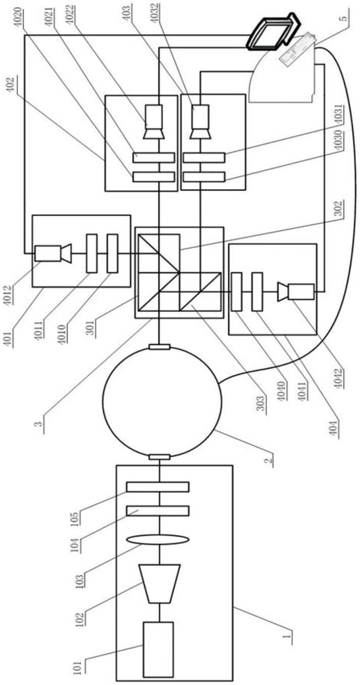
1.用于烟雾介质散射特性穆勒矩阵图样的分振幅型测量方法,包括发射系统(1)、烟雾环境模拟系统(2)、分光系统(3)、接收系统和计算机处理系统(5),发射系统(1)、烟雾环境模拟系统(2)、分光系统(3)、接收系统和计算机处理系统(5)依次设置在光束传输的光路上;

所述发射系统(1)包括激光器(101)、准直扩束系统(102)、滤光片(103)、线偏振片Ⅰ(104)和四分之一波片Ⅰ(105),且以水平方向为基准轴,线偏振片Ⅰ(104)和四分之一波片Ⅰ(105)角度调节范围均为0°~360°或移除;

所述分光系统(3)包括非偏振分光棱镜Ⅰ(301)、非偏振分光棱镜Ⅱ(302)和非偏振分光棱镜Ⅲ(303),且非偏振分光棱镜Ⅰ(301)、非偏振分光棱镜Ⅱ(302)和非偏振分光棱镜Ⅲ(303)的透射能量与反射能量之比均为1:1;

所述接收系统包括接收单元Ⅰ(401)、接收单元Ⅱ(402)、接收单元Ⅲ(403)和接收单元Ⅳ(404);所述接收单元Ⅰ(401)包括四分之一波片Ⅱ(4010)、线偏振片Ⅱ(4011)和探测器Ⅰ(4012);所述接收单元Ⅱ(402)包括四分之一波片Ⅲ(4020)、线偏振片Ⅲ(4021)和探测器Ⅱ(4022);所述接收单元Ⅲ(403)包括四分之一波片Ⅳ(4030)、线偏振片Ⅳ(4031)和探测器Ⅲ(4032);所述接收单元Ⅳ(404)包括四分之一波片Ⅴ(4040)、线偏振片Ⅴ(4041)和探测器Ⅳ(4042);以水平方向为基准轴,四分之一波片Ⅱ(4010)、线偏振片Ⅱ(4011)、四分之一波片Ⅲ(4020)、线偏振片Ⅲ(4021)、四分之一波片Ⅳ(4030)、线偏振片Ⅳ(4031)、四分之一波片Ⅴ(4040)和线偏振片Ⅴ(4041)的角度调节范围均为0°~360°或移除;

所述计算机处理系统(5)通过数据线分别与探测器Ⅰ(4012)、探测器Ⅱ(4022)、探测器Ⅲ(4032)和探测器Ⅳ(4042)连接,且计算机处理系统(5)与烟雾环境模拟系统(2)连接;

其特征是:

实现步骤:

步骤一、开启激光器(101),发射光束经过准直扩束系统(102)入射到滤光片(103)进行滤光,获得的准直扩束平行光依次经过线偏振片Ⅰ(104)和四分之一波片Ⅰ(105),通过移除或调节线偏振片Ⅰ(104)和四分之一波片Ⅰ(105)的角度进行起偏,以水平方向为基准轴,线偏振片Ⅰ(104)和四分之一波片Ⅰ(105)的角度调节范围均为0°~360°;

步骤二、将步骤一获得的出射光束入射到烟雾环境模拟系统(2),光束经烟雾环境模拟系统(2)入射到分光系统(3),通过调节分光系统(3)中三个非偏振分光棱镜的摆放位置,光束经分光系统(3)分成四路,且每路光束的光强度均相同;

步骤三、步骤二获取的四路光束同时射入到四个接收单元;入射光束在四个光路上均依次经过四分之一波片和线偏振片后出射,四个探测器同时探测到四路出射光束的光强,且将探测信息传送给计算机处理系统(5),计算机处理系统(5)进行图样处理,获得光强图样;

步骤四、完成上述步骤后,操作人员经计算机处理系统(5)控制烟雾环境模拟系统中烟雾环境,并由计算机处理系统(5)监测烟雾环境模拟系统(2)中烟雾环境的粒子半径参数、折射率参数、湿度参数、浓度参数、温度参数,经计算机处理系统(5)接收发射系统此时发射光束的四组光强图样,并记录烟雾环境模拟系统(2)中的烟雾环境;

步骤五、调节发射系统中线偏振片Ⅰ(104)和四分之一波片Ⅰ(105)的摆放位置,以水平方向为基准轴,线偏振片Ⅰ(104)和四分之一波片Ⅰ(105)的角度调节范围均为0°~360°;重复步骤四,且保持烟雾模拟系统(2)中烟雾环境参数与步骤四中记录的参数相同;

步骤六、步骤五重复执行两次,以上共得到十六组光强图样,通过计算机处理系统(5)获得烟雾介质散射特性穆勒矩阵中十六个元素的散射图样。

2.根据权利要求1所述的用于烟雾介质散射特性穆勒矩阵图样的分振幅型测量方法,其特征是:所述步骤三中的四路接收单元分别按以下两种方法调节:

1)所述接收单元Ⅰ(401)中的四分之一波片Ⅱ(4010)、线偏振片Ⅱ移除(4011),检测无偏光;所述接收单元Ⅱ(402)中的四分之一波片Ⅲ(4020)移除,且线偏振片Ⅲ(4021)调节到水平方向或垂直方向,检测水平或垂直偏振光;所述接收单元Ⅲ(403)中的四分之一波片Ⅳ(4030)移除,且线偏振片Ⅳ(4031)调节到与水平方向成+45°或-45°的方向,检测+45°或-

45°方向的线偏振光;所述接收单元Ⅳ(404)中的四分之一波片Ⅴ(4040)调节到与水平成+

45°或-45°方向,且线偏振片Ⅴ(4041)调节到水平方向,检测右旋或左旋偏振光;

2)所述四路接收单元中的检偏状态分别为检测水平偏振光、垂直偏振光、+45°方向的线偏振光、-45°方向的线偏振光、右旋偏振光和左旋偏振光中的任意四种,但要确保四路接收单元中具备对水平或垂直偏振光、+45°或-45°方向的线偏振光及右旋或左旋偏振光的检测。

3.根据权利要求1所述的用于烟雾介质散射特性穆勒矩阵图样的分振幅型测量方法,其特征是:所述步骤一中的发射系统中的线偏振片Ⅰ(104)和四分之一波片Ⅰ(105)共调节四次,产生四组不同的起偏光,且确保四组起偏光的偏振态与四路接收单元中检偏状态相同。

4.根据权利要求1所述的用于烟雾介质散射特性穆勒矩阵图样的分振幅型测量方法,其特征是:所述探测器Ⅰ(4012)、探测器Ⅱ(4022)、探测器Ⅲ(4032)和探测器Ⅳ(4042)均为CCD照相机。