欢迎来到知嘟嘟! 联系电话:13336804447 卖家免费入驻,海量在线求购! 卖家免费入驻,海量在线求购!
知嘟嘟
我要发布
联系电话:13336804447
知嘟嘟经纪人
收藏
专利号: 2015101688738
申请人: 浙江工业大学
专利类型:发明专利
专利状态:已下证
专利领域: 计算;推算;计数
更新日期:2023-12-11
缴费截止日期: 暂无
价格&联系人
年费信息
委托购买

摘要:

权利要求书:

1.一种织物疵点自动检测方法,包含模型训练阶段和检测阶段两步,步骤一,模型训练阶段有如下实现步骤:

11,把样本库中图像的长、宽的像素数扩展为2n的正方形,扩展部分以0填充;

12,对图像进行B样条小波变换,具体实现如下:

12.1对图像进行B样条小波变换,分别得到对角线方向子图HH、竖直方向子图HL、水平方向子图LH和低频子图LL四幅图像;小波变换快速算法如式(1)如示:h,g为小波滤波器,其中滤波器 表示hk的时序反转,即 m为横坐标,n为纵坐标,k为小波横向宽度,p为小波纵向宽度,j为小波分解层数;

12.2对LL图像进行二进抽取,得到长、宽为2n-1的图像;

12.3对12.2得到的图像重复12.1、12.2操作,直到结果为长、宽都为26的图像;

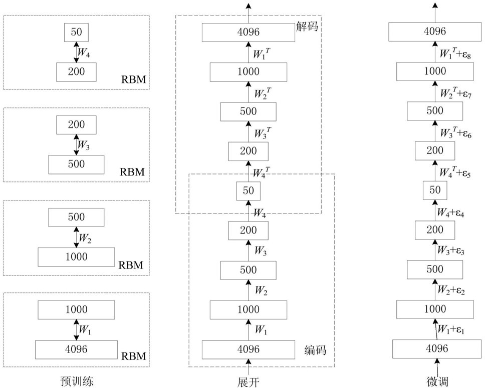
13,建立深度为5层的神经网络,每层的神经元个数分别为4096、1000、500、200和50;

14,利用已有的图像库,对步骤13建立的网络用对比分歧快速算法进行学习,得到网络的初始权值;对比分歧算法的计算过程为输入:训练样本x0,学习率ε,隐藏层数m初始化:可见层单元初始状态v1=x0,可见层和隐藏层之间的连接权重w、可见层的偏置a和隐藏层的偏置b为随机的较小数值;

备注:隐藏层的P(h 2=1|v2)是隐藏层各单元P(h 2i=1|v2)的向量表示,为sigmoid激活函数;

训练过程:

For j=1,2,…,m(对隐藏层单元j)计算

从P(h 1j=1|v1)采样h 1j∈{0,1}End

For i=1,2,…,n(对可见层单元i)计算

从P(h 2i=1|h1)采样v 2i∈{0,1}End

For j=1,2,…,m(对隐藏层单元j)计算

End

更新参数:

w←w+ε(h1v'1-P(h2=1|v2)v'2) (5)a←a+ε(v1-v2) (6)b←b+ε(h1-P(h2=1|v2)) (7)

15,将上面建立的网络展开连接成新的网络,且分成encoder和decoder两部分,并用步骤14得到的权值给这个新网络赋初值;

16,对得到的权值,用BP算法进行微调,期望输出等于输入;BP算法的计算过程为:

16.1前向传导计算,得出每一层神经元的激活值L2,L3,…,Lnl

16.2对输出层nl计算残差δ:δ(nl)=-(y-a(nl))·f'(z(nl)) (8)其中,y为期望输出,a(nl)为实际输出,f'为激活函数,z(nl)为输入;

16.3对以下各层l=nl-1,nl-2,…,2,计算δ(l)=((W(l))Tδi(l))·f'(z(l)) (9)其中,W为权值矩阵;

16.4计算所需的偏导数:

步骤二,织物检测阶段,有如下实现步骤:

21,获得待检测织物图像,并转化为8位灰度表示方式;

22,把图像的长、宽扩展为2n的正方形,扩展部分以0填充;

23,对图像进行多次B样条小波变换,具体实现过程同模型训练阶段步骤12;

24,把步骤23获得的图像输入到建立的深度神经网络模型中,从输出端得到重构的织物图像;

25,把得到的重构图像与输入图像作差运算,得到织物疵点图像检测结果;

26,求取结果图像中纹理的面积、长度、宽度、中心矩特征,据此判断是否有疵点,为何种疵点。