欢迎来到知嘟嘟! 联系电话:13336804447 卖家免费入驻,海量在线求购! 卖家免费入驻,海量在线求购!
知嘟嘟
我要发布
联系电话:13336804447
知嘟嘟经纪人
收藏
专利号: 2015100564899
申请人: 浙江工业大学
专利类型:发明专利
专利状态:已下证
专利领域: 磨削;抛光
更新日期:2023-08-24
缴费截止日期: 暂无
价格&联系人
年费信息
委托购买

摘要:

权利要求书:

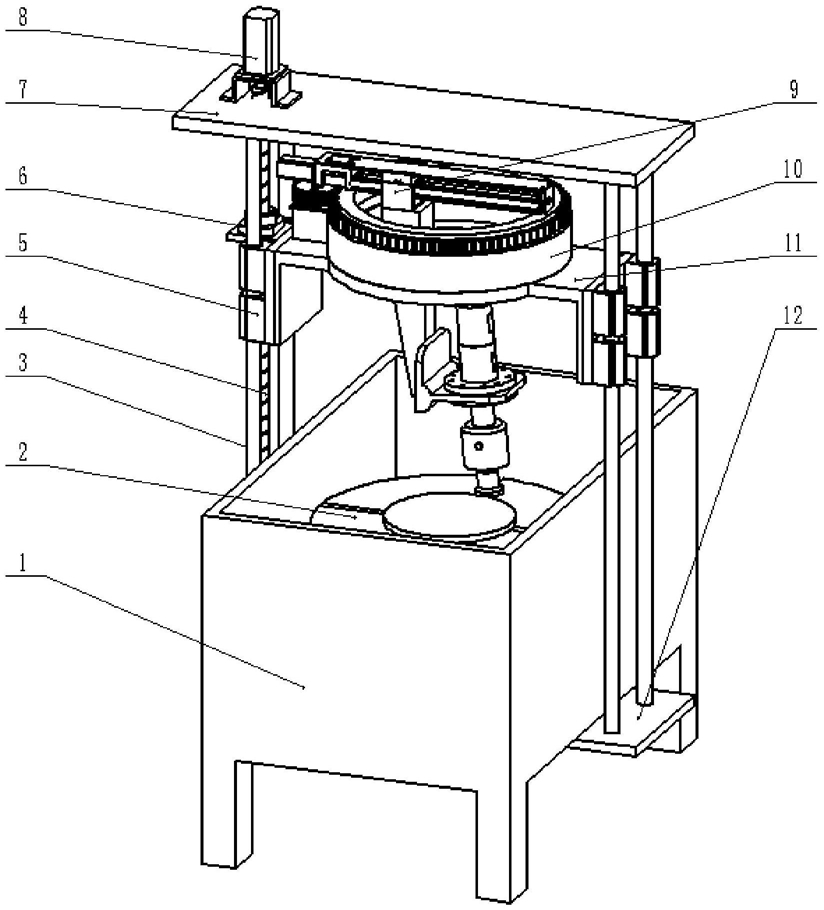
1.一种针对大面积超光滑表面的气液固三相磨粒流抛光装置,其特征在于:包括装有抛光液的承载箱体(1)、平移装置(9)、旋转支撑平台(10)和升降装置,所述承载箱体(1)底部固定有工件装夹盘(2),被抛光工件被装夹在箱体底部的工件装夹盘(2)上,抛光液充入箱体并浸没被抛光工件;所述平移装置(9)包括平移驱动电机(19)、线性模组(18)和超声波发生器(16),超声波发生器(16)固定在线性模组(18)的滑块(17)上,平移驱动电机(19)连接线性模组(18)并驱动线性模组(18)运动从而带动超声波发生器(16)进行平移运动;所述旋转支撑平台(10)包括旋转驱动电机(13)和十字交叉轴承(15),所述线性模组(18)固定在十字交叉轴承(15)上端面,十字交叉轴承(15)的外侧设有外齿圈,旋转驱动电机(13)的输出端设有齿轮(14)并通过该齿轮(14)与十字交叉轴承(15)的外齿圈相啮合,从而驱动线性模组(18)作旋转运动;所述升降装置包括升降驱动电机(8)、光轴导轨(3)、丝杠(4)和支撑平板(11),旋转支撑平台(10)固定在支撑平板(11)上,升降驱动电机(8)连接丝杠(4)上端并驱动丝杠(4)的转动,支撑平板(11)的两端通过光轴导套(5)套装在光轴导轨(3)上,丝杠(4)上套装有丝杠轴套(6),丝杠轴套(6)固接支撑平板(11),所述升降驱动电机(8)驱动丝杠(4)转动时带动支撑平板(11)的升降运动,从而带动旋转支撑平台(10)的升降运动;所述支撑平板(11)设在承载箱的正上方。

2.根据权利要求1所述的一种针对大面积超光滑表面的气液固三相磨粒流抛光装置,其特征在于:所述旋转驱动电机(13)固定在支撑平台上。

3.根据权利要求1所述的一种针对大面积超光滑表面的气液固三相磨粒流抛光装置,其特征在于:所述光轴导轨(3)设有四根,且均匀设在支撑平板(11)短边的外侧,四根光轴导轨(3)上端固接上板(7),下端固接下板(12);所述丝杠(4)的下端连接下板(12),丝杠(4)的上端穿过上板(7)连接上板(8),上板(8)通过电机座固定在上板(7)上。

4.根据权利要求1所述的一种针对大面积超光滑表面的气液固三相磨粒流抛光装置,其特征在于:所述超声波发生器(16)底部固接滑块(17),超声波发生器(16)的发射端正对被抛光工件。

5.根据权利要求1所述的一种针对大面积超光滑表面的气液固三相磨粒流抛光装置,其特征在于:所述超声波发生器(16)底部倾斜固定在滑块(17)上,超声波发生器(16)的发射端与被抛光工件表面形成抛光角度。