欢迎来到知嘟嘟! 联系电话:13336804447 卖家免费入驻,海量在线求购! 卖家免费入驻,海量在线求购!
知嘟嘟
我要发布
联系电话:13336804447
知嘟嘟经纪人
收藏
专利号: 2014106066290
申请人: 上海斐讯数据通信技术有限公司
专利类型:发明专利
专利状态:已下证
专利领域: 基本电子电路
更新日期:2024-02-23
缴费截止日期: 暂无
价格&联系人
年费信息
委托购买

摘要:

权利要求书:

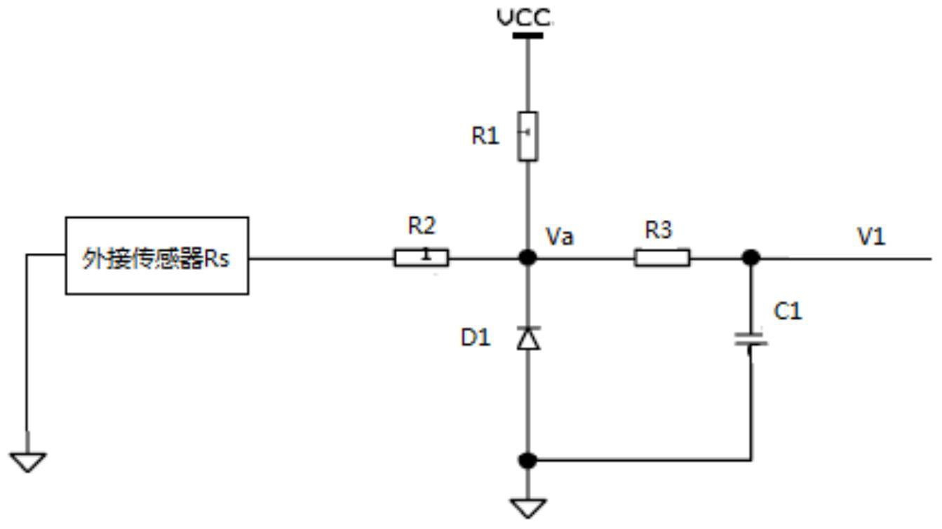
1. 一种电阻量读取精度不受电源波动影响的电路,其特征在于:包括待测电阻Rs、电阻R1、R2、R3、R4、R5 和R6,电源VCC 和ADC 芯片,其中,所述电源VCC 依次经由串联的所述电阻R1、R2 和Rs 接地;所述电阻R3 一端与所述电阻R1 和R2 的连接点相连,另一端连接至所述ADC 芯片的第一采集电压引脚;所述电源VCC 依次经由串联的所述电阻R4 和R5 接地;所述电阻R6 一端连接至所述电阻R4 和R5 的连接点,另一端连接至所述ADC 芯片的第二采集电压引脚。

2. 根据权利要求1 所述的电阻量读取精度不受电源波动影响的电路,其特征在于:还包括二极管D1,所述二极管D1 的正极接地,负极连接至电阻R1 和R2 的连接点。

3. 根据权利要求1 所述的电阻量读取精度不受电源波动影响的电路,其特征在于:还包括电容C1 和电容C2,所述电容C1 一端接地,另一端连接至所述ADC 芯片的第一采集电压引脚;所述电容C2 一端接地,另一端连接至所述ADC 芯片的第二采集电压引脚。

4.根据权利要求1 所述的电阻量读取精度不受电源波动影响的电路,其特征在于:所述ADC 芯片为8 通道ADC 芯片。

5. 根据权利要求1 所述的电阻量读取精度不受电源波动影响的电路,其特征在于:所述待测电阻Rs 的电阻量为Rs = (V1*R1)/(Vref*(1+R4/R5)-V1)-R2,其中,V1 和Vref 分别是ADC 芯片上第一和第二采集电压引脚上的电压值。

6. 根据权利要求1 所述的电阻量读取精度不受电源波动影响的电路,其特征在于:所述电阻R4 和所述电阻R5 的阻值相同。

7. 根据权利要求6 所述的电阻量读取精度不受电源波动影响的电路,其特征在于:所述待测电阻Rs 的电阻量为Rs = (V1*R1)/(2Vref-V1)-R2,其中,V1 和Vref 分别是ADC 芯片上第一和第二采集电压引脚上的电压值。