欢迎来到知嘟嘟! 联系电话:13336804447 卖家免费入驻,海量在线求购! 卖家免费入驻,海量在线求购!
知嘟嘟
我要发布
联系电话:13336804447
知嘟嘟经纪人
收藏
专利号: 2014104756056
申请人: 浙江大学
专利类型:发明专利
专利状态:已下证
专利领域: 液力机械或液力发动机;风力、弹力或重力发动机;其他类目中不包括的产生机械动力或反推力的发动机
更新日期:2023-08-24
缴费截止日期: 暂无
价格&联系人
年费信息
委托购买

摘要:

权利要求书:

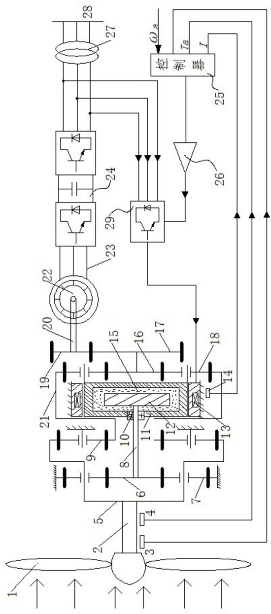
1.一种磁力驱动变速控制型风力发电机组,包括风轮(1),风轮(1)的转轴(2)作为动力输入轴与齿轮箱连接,齿轮箱的输出轴(20)与发电机(22)连接,发电机通过导线(23)与第一整流器(24)连接后并入电网(28),其特征在于:在齿轮箱内,风轮(1)的转轴(2)依次经三个行星齿轮系、平行轮轴齿轮机构后与发电机(22)的输入轴连接,齿轮箱内设有带有内齿圈(11)和主动转子(12)的磁力变速驱动装置,内齿圈(11)周向外围设有线圈(13),线圈上设有电流传感器(14);风轮(1)的转轴(2)上设有角速度传感器(3)和扭矩传感器(4),角速度传感器(3)和扭矩传感器(4)及电流传感器(14)均与控制器(25)输入端相连,控制器输出端经放大器(26)后与第二整流器(29)相连,第一整流器(24)三相输出端和第二整流器(29)三相输入端并联,第二整流器(29)单相输出端连接到磁力驱动装置的线圈(13)。

2.根据权利要求1所述的一种磁力驱动变速控制型风力发电机组,其特征在于:所述的齿轮箱内的三个行星齿轮系和平行轮轴齿轮机构具体包括:一级行星齿轮系包括相互配合的一级太阳轮(6)、一级行星轮(7)和一级行星架(5),二级行星齿轮系包括相互配合的二级行星轮(9)、二级行星架(21),二级行星齿轮系包括相互配合的内齿圈(11)、三级太阳轮(16)和三级行星轮(18),平行轮轴齿轮机构包括相互配合的主动轮(17)和从动轮(19);

风轮(1)的转轴(2)与一级行星架(5)同轴固定连接,一级行星架(5)的两侧架臂上各套有一级行星轮(7),两侧的一级行星轮(7)之间啮合有一级太阳轮(6),一级行星架(5)架臂延伸端的内圈经两个二级行星轮(9)与二级行星架(21)一端外圈啮合,二级行星架(21)另一端内圈经两个三级行星轮(18)与三级太阳轮(16)啮合,两个三级行星轮(18)的中心轴固定连接到磁力驱动装置的内齿圈(11)上,三级太阳轮(16)与主动轮(17)同轴固定连接,主动轮(17)与从动轮(19)啮合,从动轮(19)与齿轮箱的输出轴(20)同轴连接。

3.根据权利要求1所述的一种磁力驱动变速控制型风力发电机组,其特征在于:所述的磁力驱动装置内,一级太阳轮(6)通过一级输出轴(8)与磁力驱动装置的主动转子(12)同轴固接,主动转子(12)装在内齿圈(11)内,主动转子(12)与内齿圈(11)之间设有磁流变液(15)。

4.根据权利要求1所述的一种磁力驱动变速控制型风力发电机组,其特征在于:所述的第一整流器(24)输出端和电网(8)之间设有电感(27)。

5.根据权利要求1~4任一所述的一种磁力驱动变速控制型风力发电机组,其特征在于:所述的第二整流器(26)采用PWM控制器。

6.应用于权利要求1~5所述发电机组的一种磁力驱动变速控制型风力发电机组的最大风能捕获方法,其特征在于包括以下步骤:

1)由角速度传感器(3)测得所述风轮(1)的转轴角速度ωa,由扭矩传感器(4)测得所述风轮(1)的转轴扭矩Ta;

2)风轮(1)的转轴角速度ωa,风轮(1)的转轴扭矩Ta经风速估计器计算得到最佳叶尖速比λopt时的风速υ和风轮的最佳角速度ωopt;

3)计算风轮的最佳角速度ωopt和风轮(1)的转轴角速度ωa之差,并输入到角速度控制器内计算得到参考电流;该参考电流与由电流传感器(14)检测获得的磁力控制电流I相减,其差值输入到电流控制器中计算获得参考电压Uref,然后输出到PWM中进行调制,调制后获得调制电流I0;

4)调制电流I0经所述功率放大器(26)放大和所述第二整流器(29)整流后输入到线圈(13)中,对磁力控制电流I进行反馈控制;

5)由磁力控制电流I通过磁力驱动装置对主动转子(12)及内齿圈(11)的转速进行控制,进而实现对所述风轮(1)的转轴角速度ωa的控制,完成最大风能捕获。

7.根据权利要求6所述的一种磁力驱动变速控制型风力发电机组的最大风能捕获方法,其特征在于:所述磁力控制电流I根据以下公式对主动转子(12)及内齿圈(11)的转速进行控制:其中,ωa为风轮(1)的转轴角速度,Ta为风轮(1)的转轴扭矩,K1,K2,K3,K4,K5分别为第一、第二、第三、第四、第五转速控制系数,I为磁力控制电流,β为磁流变液的实验系数,β取为正常数,ω20为齿轮箱输出轴的角速度。

8.根据权利要求6所述的一种磁力驱动变速控制型风力发电机组的最大风能捕获方法,其特征在于:所述的风速估计器中,通过测量得到的风轮(1)的转轴角速度ωa,风轮(1)的转轴扭矩Ta估计得到空气动力转矩Ta(k);再利用空气动力转矩Ta(k)计算风速v,然后通过牛顿逼近方法求得所述风轮的最佳角速度ωopt。