欢迎来到知嘟嘟! 联系电话:13336804447 卖家免费入驻,海量在线求购! 卖家免费入驻,海量在线求购!
知嘟嘟
我要发布
联系电话:13336804447
知嘟嘟经纪人
收藏
专利号: 2014104611432
申请人: 西南交通大学
专利类型:发明专利
专利状态:已下证
专利领域: 发电、变电或配电
更新日期:2023-12-11
缴费截止日期: 暂无
价格&联系人
年费信息
委托购买

摘要:

权利要求书:

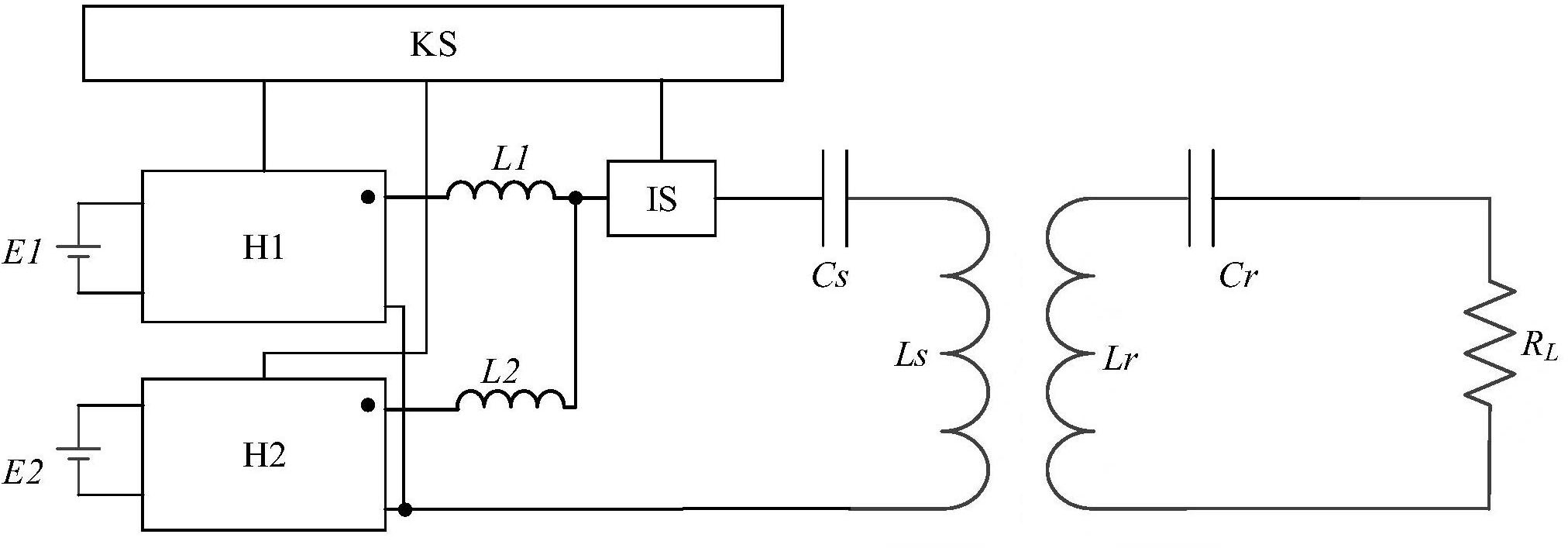
1.一种基于并联逆变器的无线传能系统的功率调节方法,所述的无线传能系统由接收端、发送端两部分组成;其中,接收端包括依次串接的接收端线圈(Lr)、接收端补偿电容(Cr)和负载(RL);发送端包括依次串接的逆变器、电流传感器(IS)、发送端补偿电容(Cs)和发送端线圈(Ls),逆变器、电流传感器(IS)均和控制器(KS)相连,其特征在于:所述的逆变器为第一全桥逆变器(H1)输出端与第二全桥逆变器(H2)输出端并联构成的并联型逆变器;且在第一全桥逆变器(H1)输出端和第二全桥逆变器(H2)输出端上分别串接有电感值相等的电感一(L1)和电感二(L2),第一全桥逆变器(H1)的输入端和第二全桥逆变器(H2)的输入端还分别与直流电源一(E1)、直流电源二(E2)相连;直流电源一(E1)和直流电源二(E2)相互隔离且其输出电压幅值相等;

所述的逆变器、电流传感器(IS)均和控制器(KS)相连的具体方式为:第一全桥逆变器(H1)的控制端、第二全桥逆变器(H2)的控制端和电流传感器(IS)的输出端均与控制器(KS)相连;

所述的基于并联逆变器的无线传能系统的功率调节方法,其步骤是:

A、控制器(KS)控制第一全桥逆变器(H1)及第二全桥逆变器(H2)的输出电压的当前弧度值 控制器(KS)控制第一全桥逆变器(H1)与第二全桥逆变器(H2)的输出电压的当前相位差B、控制器(KS)接收电流传感器(IS)测出的发送端线圈(Ls)的电流有效值IS;如果当前的电流有效值IS值大于设定的电流有效值Ic,转C步;否则,转D步;

C、控制器进入脉宽调节模式:

如果当前的电流有效值IS值大于设定的电流有效值Ic,控制器(KS)调低第一全桥逆变器(H1)及第二全桥逆变器(H2)的输出电压的下一时刻弧度值θ'L,使下一时刻弧度值θ'L等于当前弧度值θL减少一个弧度调节量ΔθL;

如果当前的电流有效值IS值小于设定的电流有效值Ic,且当前弧度值 控制器(KS)则调高第一全桥逆变器(H1)及第二全桥逆变器(H2)的输出电压的下一时刻弧度值θ'L,使下一时刻弧度值θ'L等于当前弧度值θL增加一个弧度调节量ΔθL;

如果当前的电流有效值IS值小于设定的电流有效值Ic,且当前弧度值 则转D步;

D、控制器进入相位差调节模式:

如果当前的电流有效值IS值小于设定的电流有效值Ic,控制器(KS)调低第一全桥逆变器(H1)及第二全桥逆变器(H2)的输出电压的下一时刻相位差θ'Δ,使下一时刻相位差θ'Δ等于当前相位差θΔ减少一个调节量dθΔ;

如果当前的电流有效值IS值大于设定的电流有效值Ic,且当前相位差 控制器(KS)则调高第一全桥逆变器(H1)及第二全桥逆变器(H2)的输出电压的下一时刻相位差θ'Δ,使下一时刻相位差θ'Δ等于当前相位差θΔ增加一个相位差调节量dθΔ;

如果当前的电流有效值IS值大于设定的电流有效值Ic,且当前相位差 则转C步。