欢迎来到知嘟嘟! 联系电话:13336804447 卖家免费入驻,海量在线求购! 卖家免费入驻,海量在线求购!
知嘟嘟
我要发布
联系电话:13336804447
知嘟嘟经纪人
收藏
专利号: 2014104391184
申请人: 金陵科技学院
专利类型:发明专利
专利状态:已下证
专利领域: 控制;调节
更新日期:2024-08-26
缴费截止日期: 暂无
价格&联系人
年费信息
委托购买

摘要:

权利要求书:

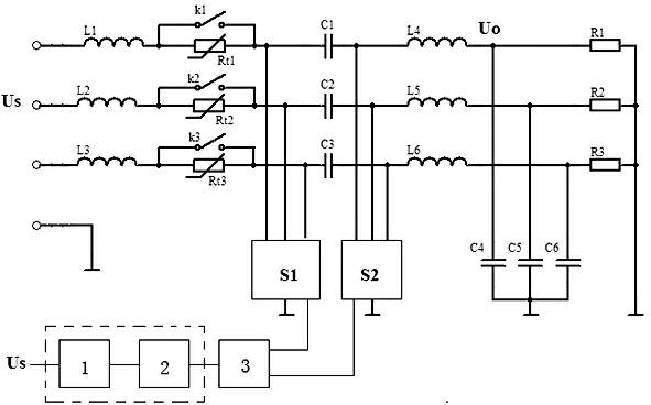
1.一种超高速节能型交流稳压装置,包括市电连接端和稳压电源输出端,其特征是,所述市电连接端与稳压电源输出端之间的三相线路上依次串接有第一储能电感、限流电阻、储能电容以及第二储能电感;

上述各限流电阻两端分别并接有可控开关;

还包括控制单元、电压检测单元、第一电子开关和第二电子开关;可控开关的控制输入端连接控制单元;第一电子开关和第二电子开关分别包括控制输入端和三个电流输入端,其中控制输入端连接控制单元,第一电子开关的三个电流输入端分别连接在三相线路中限流电阻与储能电容之间,第二电子开关的三个电流输入端分别连接在三相线路中储能电容与第二储能电感之间;电压检测单元的输入端连接市电连接端以检测输入电压,然后将检测到的电压信号输出至控制单元;控制单元根据电压信号控制可控开关的开关状态,以及第一电子开关和第二电子开关的导通和截止。

2. 根据权利要求1所述的超高速节能型交流稳压装置,其特征是,还包括滤波单元,滤波单元由分别串接在稳压输出端三相线路与公共端之间的滤波电容组成。

3. 根据权利要求1所述的超高速节能型交流稳压装置,其特征是,所述限流电阻皆为防浪涌热敏电阻。

4. 基于权利要求1至3任一项所述的超高速节能型交流稳压装置的控制方法,其特征是,对第一电子开关和第二电子开关的控制方法为:对市电连接端的输入电压进行检测,并将检测到的输入电压与既定的稳定电压进行比较:当输入电压等于稳定电压,则将第一电子开关及第二电子开关的导通和截止占空比分别设置为50%;

当输入电压小于稳定电压,则将第一电子开关的占空比设置为大于50%;

当输入电压大于稳定电压,则将第一电子开关的占空比设置为小于50%;

且当第一电子开关处于导通状态时,第二电子开关为截止状态。