欢迎来到知嘟嘟! 联系电话:13336804447 卖家免费入驻,海量在线求购! 卖家免费入驻,海量在线求购!
知嘟嘟
我要发布
联系电话:13336804447
知嘟嘟经纪人
收藏
专利号: 201410230683X
申请人: 西南交通大学
专利类型:发明专利
专利状态:已下证
专利领域: 控制;调节
更新日期:2024-01-05
缴费截止日期: 暂无
价格&联系人
年费信息
委托购买

摘要:

权利要求书:

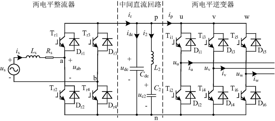
1.一种两电平整流器及逆变器高速实时仿真方法,对系统模型进行适当简化,采用混合逻辑动态模型对系统进行建模;

对电力牵引传动系统模型中变量进行定义:

us——变压器二次侧电压;is——变压器二次侧电流;udc——直流侧电压;ip——直流电路输出电流;uu,uv,uw——逆变器u相,v相,w相的输出电压;iu,iv,iw——逆变器u相,v相,w相的输入电流;

定义整流器与逆变器各桥臂开关函数为:

定义整流器开关函数判断辅助逻辑变量:

定义逆变器开关函数判断辅助逻辑变量:

整流器开关函数Sra和Srb逻辑表达式为:

Tr1~Τr4为整流器4个开关器件接收的触发信号;

逆变器开关函数Siu,Siv和Siw逻辑表达式为:

Ti1~Τi6为逆变器6个开关器件接收的触发信号;

根据以上整流器及逆变器开关函数逻辑表达式,由k时刻开关器件触发信号,以及k时刻的模型变量整流器侧us,is,udc和逆变器侧iu,iv,iw,求得k时刻开关函数Sra,Srb和Siu,Siv,Siw;根据逆变器电流方程,由Siu,Siv,Siw以及k时刻iu,iv,iw,求得k时刻ip;然后,根据整流器微分方程组,以k时刻ip以及us作为输入,计算得k+1时刻的udc及is,供下一时刻仿真计算;最后,根据逆变器电压方程组,由k+1时刻的udc,最终求得逆变器输出电压uu,uv,uw供给负载;

至此,完成了电力牵引传动系统的离散并行仿真计算;

通过System Generator工具将离散化数学模型集成在FPGA芯片中,采用定点数模拟仿真系统中的数值变量,搭建高速实时仿真硬件平台,对电力牵引传动系统进行实时仿真。