欢迎来到知嘟嘟! 联系电话:13336804447 卖家免费入驻,海量在线求购! 卖家免费入驻,海量在线求购!
知嘟嘟
我要发布
联系电话:13336804447
知嘟嘟经纪人
收藏
专利号: 2014101452167
申请人: 燕山大学
专利类型:发明专利
专利状态:已下证
专利领域: 发电、变电或配电
更新日期:2024-02-23
缴费截止日期: 暂无
价格&联系人
年费信息
委托购买

摘要:

权利要求书:

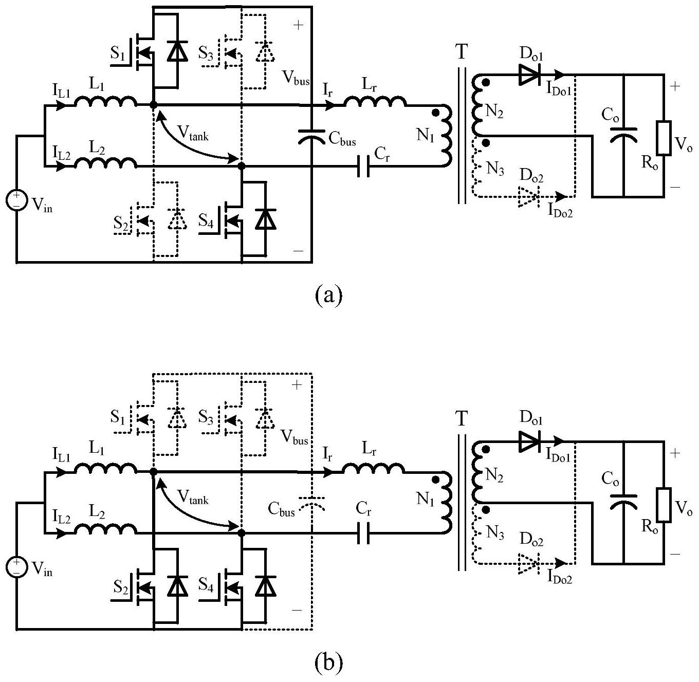
1.一种Boost型隔离DC/DC变换器,其特征在于:

它是由输入直流电压源Vin、母线电容Cbus、第一电感L1、第二电感L2、第一开关管S1、第二开关管S2、第三开关管S3、第四开关管S4、二端口无源网络N、第一输出整流二极管Do1、第二输出整流二极管Do2、输出电容Co、输出电阻Ro和理想变压器T组成;

所述理想变压器T包括第一绕组N1、第二绕组N2和第三绕组N3;

所述二端口无源网络N有四个端子,分别为端子a、端子b、端子c和端子d,端子a与端子b在同一侧,端子c和端子d在另一侧;

所述的输入直流电压源Vin的正极分别与第一电感L1的一端和第二电感L2的一端相连,输入直流电压源Vin的负极分别与第二开关管S2的源极、第四开关管S4的源极以及母线电容Cbus的负极相连;第一电感L1的另一端分别与第一开关管S1的源极和第二开关管S2的漏极相连,第二电感L2的另一端分别与第三开关管S3的源极和第四开关管S4的漏极相连;

第一开关管S1的漏极分别与第三开关管S3的漏极、母线电容Cbus的正极相连;

所述二端口无源网络N的端子a与第一开关管S1的源极、第二开关管S2的漏极相连,端子b与第三开关管S3的源极、第四开关管S4的漏极相连,端子c与所述理想变压器T第一绕组N1的同名端相连,端子d与所述理想变压器T第一绕组N1的非同名端相连;

第一输出整流二极管Do1与第二输出整流二极管Do2共阴极连接,第一输出整流二极管Do1的阳极连接到所述理想变压器T第二绕组N2的同名端,第二输出整流二极管Do2的阳极连接到所述理想变压器T第三绕组N3的非同名端;输出电容Co与输出电阻Ro并联,它们的正极连接到第一输出整流二极管Do1的阴极,它们的负极分别与所述理想变压器T第二绕组N2的非同名端和第三绕组N3的同名端相连。

2.根据权利要求1所述的Boost型隔离DC/DC变换器,其特征在于:所述的二端口无源网络N是移相电感L网络;所述的移相电感L网络包含移相电感L,移相电感L的一端与端子a相连,另一端与端子c相连,端子b与端子d直接相连。

3.根据权利要求1所述的Boost型隔离DC/DC变换器,其特征在于:所述的二端口无源网络N是LC串联谐振网络;所述的LC串联谐振网络包括谐振电感Lr和串联谐振电容Cr,谐振电感Lr的一端连接端子a,另一端连接端子c,串联谐振电容Cr的一端连接端子b,另一端连接端子d。

4.根据权利要求1所述的Boost型隔离DC/DC变换器,其特征在于:所述的二端口无源网络N是LC并联谐振网络;所述的LC并联谐振网络包括谐振电感Lr和并联谐振电容Cp,谐振电感Lr的一端连接端子a,另一端连接端子c,并联谐振电容Cp的一端连接端子b,另一端连接端子d。

5.根据权利要求1所述的Boost型隔离DC/DC变换器,其特征在于:所述的二端口无源网络N是LCC串并联谐振网络;所述的LCC串并联谐振网络包括谐振电感Lr、串联谐振电容Cr和并联谐振电容Cp,谐振电感Lr一端连接端子a,另一端连接端子c;串联谐振电容Cr一端连接端子b,另一端连接端子d;并联谐振电容Cp一端连接端子c,另一端连接端子d。

6.根据权利要求1所述的Boost型隔离DC/DC变换器,其特征在于:所述的二端口无源网络N是LLC串联谐振网络;所述的LLC串联谐振网络包括谐振电感Lr、串联谐振电容Cr和励磁电感Lm,谐振电感Lr一端连接端子a,另一端连接端子c;串联谐振电容Cr一端连接端子b,另一端连接端子d;励磁电感Lm一端连接端子c,另一端连接端子d。

7.根据权利要求1所述Boost型隔离DC/DC变换器的控制方法,其特征在于:该方法内容如下:采用定频PWM的控制,变换器的工作频率fs始终等于谐振频率fr;两个Boost电路采用交错并联的控制方式,第一开关管S1与第三开关管S3占空比均为D,其相位差180°;

第二开关管S2与第四开关管S4的占空比均为1-D,相位也差180°;当占空比D≤0.5时,谐振槽电压Vtank的占空比为D;当D>0.5时,谐振槽电压Vtank的占空比为1-D;输入电压Vin在比较宽的范围内变化时,通过调节第一开关管S1与第三开关管S3的占空比D,改变变换器整体增益。