欢迎来到知嘟嘟! 联系电话:13336804447 卖家免费入驻,海量在线求购! 卖家免费入驻,海量在线求购!
知嘟嘟
我要发布
联系电话:13336804447
知嘟嘟经纪人
收藏
专利号: 2013104303649
申请人: 浙江工业大学
专利类型:发明专利
专利状态:已下证
专利领域: 测量;测试
更新日期:2024-02-23
缴费截止日期: 暂无
价格&联系人
年费信息
委托购买

摘要:

权利要求书:

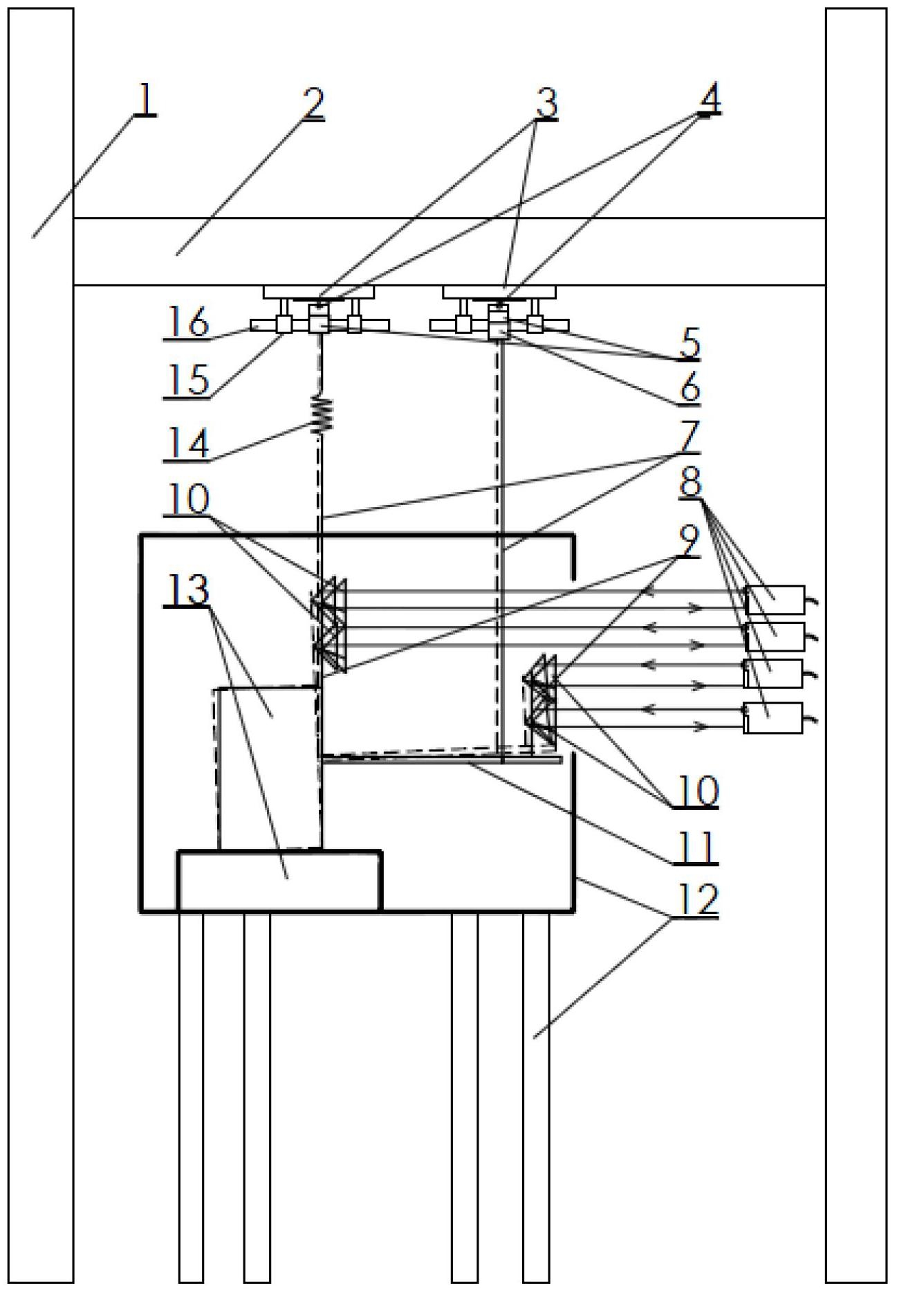
1.一种对结构件在高低温环境下的抗弯刚度测试装置,其测试装置包括激光测量组、气浮装置、升降装置、移动横梁、耐高低温拉绳、高低温等;所述气浮装装置包括气浮轴、气浮套;

所述升降装置位于高低温箱外,所述移动横梁套装在升降装置上可上下移动;

所述气浮装置有两套,所述气浮装置的气浮轴通过气浮轴承座固定在移动横梁上,所述气浮套套装在所述气浮轴上,所述气浮轴上均安装光栅位移传感器和无线数据传输模块;

所述高低温箱顶部有通孔,侧面设有观察窗;所述高低温箱内放置被测件安装座,所述被测件安装座上安装被测件;所述耐高低温拉绳竖直穿过高低温箱顶部的通孔连接气浮套和被测件,所述第一耐高低温拉绳中间套有低刚度弹簧,下端套装在被测件连接被测件安装座的一端,所述第二耐高低温拉绳上端通过力传感器与气浮套连接;

所述激光测量组包括角锥反光镜、激光头和计算模块;所述激光头固定在高低温箱外且和高低温箱侧面的观测窗位置相对,所述角锥反光镜通过角锥反光镜安装座分别固定在被测件末端和被测件安装座上,所述角锥反光镜安装座上的角锥反光镜有两个且间距为定值,所述每个激光头对应一个角锥反光镜。

2.如权利要求1所述的一种对结构件在高低温环境下的抗弯刚度测试装置,其特征在于:所述光栅位移传感器、力传感器和无线数据传输模块由电池供电。

3.如权利要求1所述的一种对结构件在高低温环境下的抗弯刚度测试装置,其特征在于:所述述耐高低温拉绳为芳纶纤维绳。

4.如权利要求1所述的一种对结构件在高低温环境下的抗弯刚度测试装置,其特征在于:所述升降装置可以是直线导轨、滚珠丝杠等可控制移动横梁升降的装置。