欢迎来到知嘟嘟! 联系电话:13336804447 卖家免费入驻,海量在线求购! 卖家免费入驻,海量在线求购!
知嘟嘟
我要发布
联系电话:13336804447
知嘟嘟经纪人
收藏
专利号: 2013103814312
申请人: 浙江工业大学
专利类型:发明专利
专利状态:已下证
专利领域: 发电、变电或配电
更新日期:2023-12-11
缴费截止日期: 暂无
价格&联系人
年费信息
委托购买

摘要:

权利要求书:

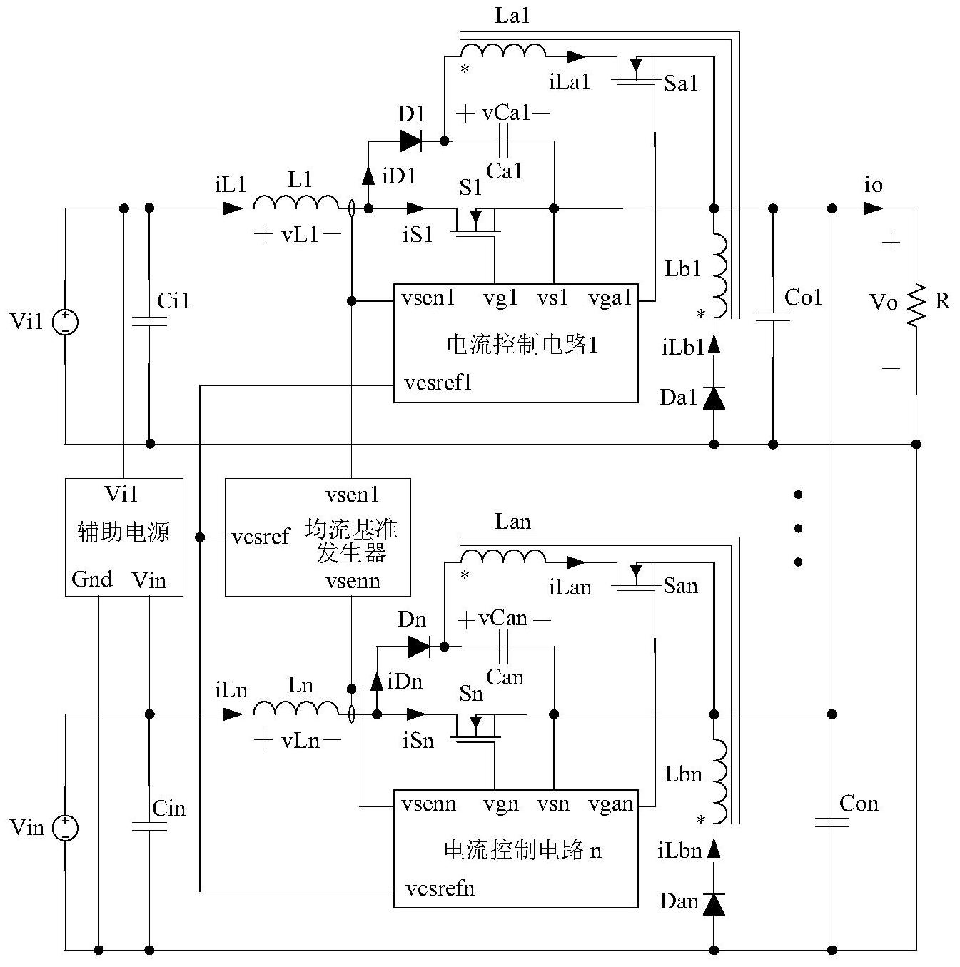
1.一种含耦合电感的能馈式均流接口电路,其特征在于:所述含耦合电感的能馈式均流接口电路由功率主回路、控制回路、辅助电源3部分组成,

所述功率主回路由完整通道电路1至完整通道电路n组成,所述完整通道电路j(j=1,...,n)包括输入电容Cij、电感Lj、N-MOS主管Sj、N-MOS辅助管Saj、辅助电容Caj、耦合电感Laj和Lbj、二极管Dj、辅助二极管Daj、输出电容Coj,直流电源Vij(j=1,...,n)的正端与输入电容Cij的一端以及电感Lj的一端相连,电感Lj的另一端与二极管Dj的阳极以及N-MOS主管Sj的漏极相连,二极管Dj的阴极与耦合电感Laj的一端以及辅助电容Caj的一端相连,耦合电感Laj的另一端与N-MOS辅助管Saj的漏极相连,N-MOS主管Sj的源极与辅助电容Caj的另一端、N-MOS辅助管Saj的源极、耦合电感Lbj的一端(与所述耦合电感Laj的另一端是同名端关系)、输出电容Coj的一端、输出电压Vo的正端以及负载R的一端相连,耦合电感Lbj的另一端(与所述耦合电感Laj的一端是同名端关系)与辅助二极管Daj的阴极相连,辅助二极管Daj的阳极与直流电源Vij的负端、输入电容Cij的另一端、输出电容Coj的另一端、输出电压Vo的负端以及负载R的另一端相连,耦合电感Lbj与辅助二极管Daj的接点和耦合电感Laj与二极管Dj的接点是同名端关系,所述控制回路由电流控制电路1至电流控制电路n和均流基准发生器组成,所述电流控制电路j(j=1,...,n)拥有端口vsenj、端口vgj、端口vsj、端口vgaj、端口vcsrefj,所述均流基准发生器拥有端口vsenj和端口vcsref,所述电流控制电路j的端口vsenj接收所述所述电感Lj的电流iLj的检测信号,所述电流控制电路j的端口vgj与所述N-MOS主管Sj的门极相连,所述电流控制电路j的端口vsj与所述N-MOS主管Sj的源极以及所述N-MOS辅助管Saj的源极相连,所述电流控制电路j的端口vgaj与所述N-MOS辅助管Saj的门极相连,所述电流控制电路j的端口vcsrefj与所述均流基准发生器的端口vcsref相连,所述均流基准发生器的端口vsenj接收所述电感Lj的电流iLj的检测信号,所述辅助电源能为所述控制回路提供所需的工作电压,拥有端口Vij(j=1,...,n)和端口Gnd,所述辅助电源的端口Vij与所述直流电源Vij的正端相连,所述辅助电源的端口Gnd与所述直流电源Vij的负端相连。

2.如权利要求1所述的含耦合电感的能馈式均流接口电路,其特征在于:所述电流控制电路j(j=1,...,n)由电流控制单元和MOS管驱动单元组成,

所述电流控制单元能根据电流控制电路j的端口vsenj的信息和端口vcsrefj的信息输出所述N-MOS主管Sj的开/关驱动指令vgsj以及所述N-MOS辅助管Saj的开/关驱动指令vgsaj,所述MOS管驱动单元能把所述N-MOS主管Sj的开/关驱动指令vgsj和所述N-MOS辅助管Saj的开/关驱动指令vgsaj转换成由所述电流控制电路j的端口vgj、端口vsj和端口vgaj输出的差分驱动信号。

3.如权利要求2所述的含耦合电感的能馈式均流接口电路,其特征在于:所述电流控制电路j(j=1,...,n)的电流控制单元由放大器j、加法器j、锯齿波发生器1j、锯齿波发生器2j、参考电压源j、比较器1j、比较器2j、消抖电路1j和消抖电路2j组成,所述放大器j的输入端与所述电流控制电路j的端口vsenj相连,放大器j的输出端与比较器1j的反相输入端相连,加法器j的一个输入端与所述电流控制电路j的端口vcsrefj相连,加法器j的另一个输入端与锯齿波发生器1j的输出端相连,加法器j的输出端与比较器1j的正相输入端相连,比较器1j的输出端与消抖电路1j的输入端相连,消抖电路1j输出所述N-MOS主管Sj的开/关驱动指令vgsj,比较器2j的正相输入端与锯齿波发生器2j的输出端相连,比较器2j的反相输入端与参考电压源j的输出端相连,比较器2j的输出端与消抖电路

2j的输入端相连,消抖电路2j输出所述N-MOS辅助管Saj的开/关驱动指令vgsaj。

4.如权利要求1、2和3之一所述的含耦合电感的能馈式均流接口电路,其特征在于:

所述辅助电源由二极管Db1至二极管Dbn和单输入多输出的直流-直流变换器组成,所述二极管Db1至二极管Dbn共阴极并与所述单输入多输出的直流-直流变换器的正输入端相连,所述二极管Dbj(j=1,...,n)的阳极与所述辅助电源的端口Vij相连,所述单输入多输出的直流-直流变换器的负输入端与所述辅助电源的端口Gnd相连。

5.如权利要求1、2、3和4之一所述的含耦合电感的能馈式均流接口电路,其特征在于:

所述均流基准发生器由放大器G1至放大器Gn、多输入的最小值电路、加法器G和参考电压源G组成,所述放大器Gj(j=1,...,n)的输入端与所述均流基准发生器的端口vsenj相连,放大器Gj的输出端与所述多输入的最小值电路的输入端vj相连,多输入的最小值电路的输出端与加法器G的一个输入端相连,参考电压源G的输出端与加法器G的另一个输入端相连,加法器G的输出端与所述均流基准发生器的端口vcsref相连。