欢迎来到知嘟嘟! 联系电话:13336804447 卖家免费入驻,海量在线求购! 卖家免费入驻,海量在线求购!
知嘟嘟
我要发布
联系电话:13336804447
知嘟嘟经纪人
收藏
专利号: 2013103659478
申请人: 浙江工业大学
专利类型:发明专利
专利状态:已下证
专利领域: 测量;测试
更新日期:2023-12-11
缴费截止日期: 暂无
价格&联系人
年费信息
委托购买

摘要:

权利要求书:

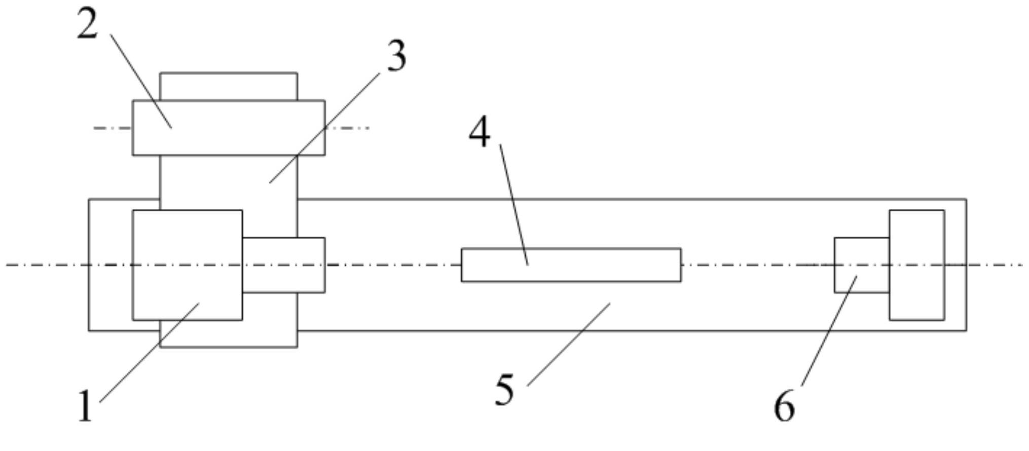
1.一种基于CCD探测的X射线组合折射透镜聚焦性能测试方法,其特征在于:实现该方法的装置包括底座导轨、依次位于所述底座导轨上的调整台、X射线组合折射透镜和X射线CCD,X射线光管、激光器可横向移动地安装在所述调整台上,所述X射线光管/激光器、X射线组合折射透镜、X射线CCD形成探测光路,所述聚焦性能测试方法包括如下步骤:(1)所述X射线组合折射透镜的光轴在制作时已经确定,在显微镜下观察并制作标记标示其光轴,以备激光校准时使用;

(2)将激光器移入探测光路,使得激光器与X射线组合折射透镜上的两个光轴标记线重合;

(3)将激光器移出光路,同时X射线光管移入探测光路;

(4)X射线CCD进行图像记录,通过对所记录图像进行图像处理,得到X射线组合折射透镜的聚焦光斑尺寸和光斑强度,得到聚焦性能测试结果。

2.如权利要求1所述的基于CCD探测的X射线组合折射透镜聚焦性能测试方法,其特征在于:调整台位于所述底座导轨的一侧,所述X射线光管、激光器可横向移动地安装在所述调整台上;将X射线光管和激光器安装在多维精密调整台上,精密调整并固定两个档位,保证机械轴与所述X射线光管和所述激光器的光轴平行。

3.如权利要求1或2所述的基于CCD探测的X射线组合折射透镜聚焦性能测试方法,其特征在于:所述步骤(4),首先沿底座导轨纵轴方向移动X射线CCD,达到距离X射线组合折射透镜最近的位置,记录位置坐标和X射线CCD图像;再将X射线CCD沿底座导轨纵轴方向向远离X射线组合折射透镜的方向移动,记录移动的位置坐标,进行图像记录。

4.如权利要求1或2所述的基于CCD探测的X射线组合折射透镜聚焦性能测试方法,其特征在于:所述X射线CCD沿底座导轨纵轴方向移动的平移步长0.2~5毫米。

5.如权利要求1或2所述的基于CCD探测的X射线组合折射透镜聚焦性能测试方法,其特征在于:所述步骤(4)中,所述图像记录方式为离线记录图像文件或在线显示图像信息并记录图像文件。

6.如权利要求1或2所述的基于CCD探测的X射线组合折射透镜聚焦性能测试方法,其特征在于:所述光斑尺寸和光斑强度的测试精确度由X射线CCD的像元尺寸决定。