欢迎来到知嘟嘟! 联系电话:13336804447 卖家免费入驻,海量在线求购! 卖家免费入驻,海量在线求购!
知嘟嘟
我要发布
联系电话:13336804447
知嘟嘟经纪人
收藏
专利号: 201210558810X
申请人: 浙江工业大学
专利类型:发明专利
专利状态:已下证
专利领域: 控制;调节
更新日期:2023-12-11
缴费截止日期: 暂无
价格&联系人
年费信息
委托购买

摘要:

权利要求书:

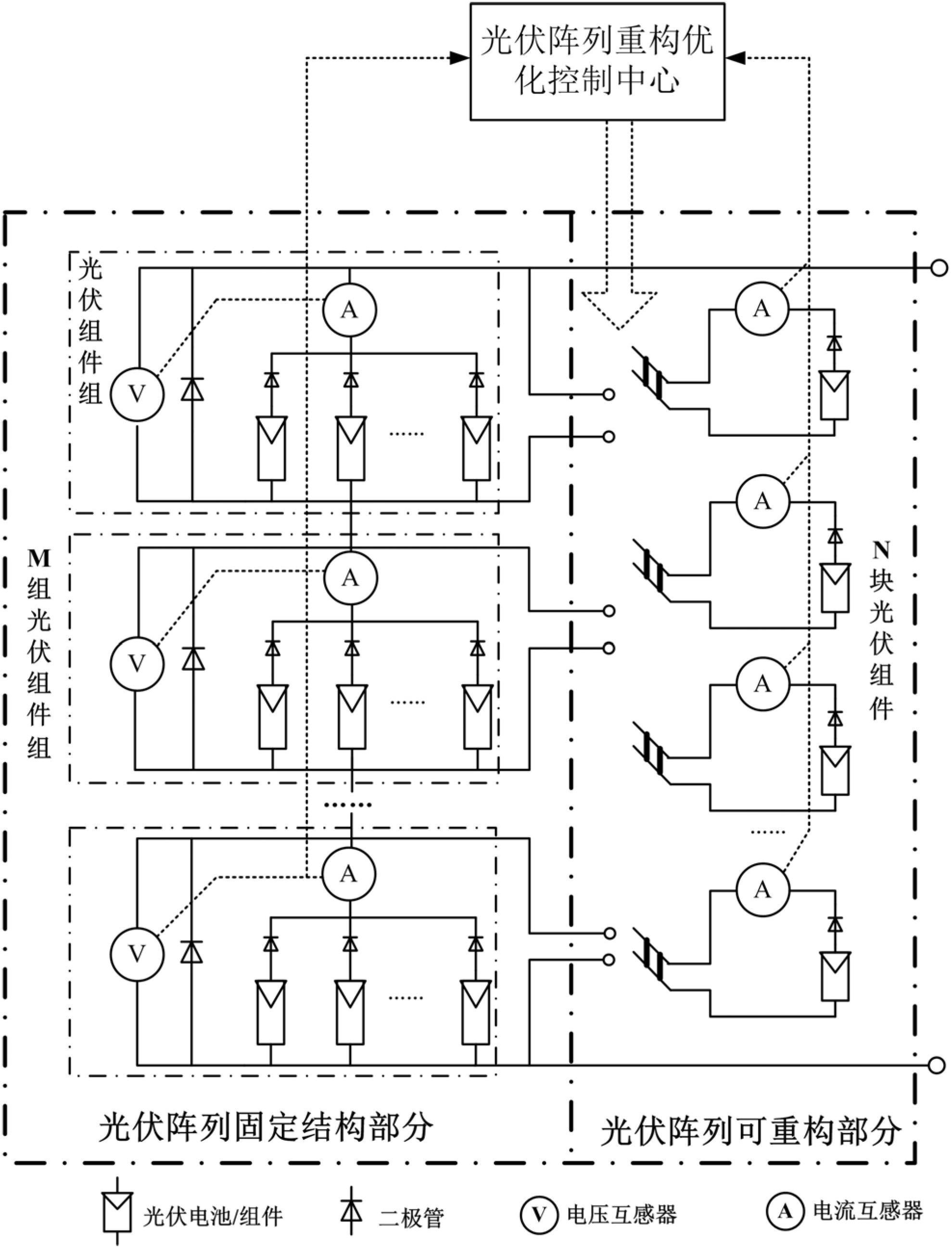
1.一种光伏电池阵列局部可重构电气系统的重构优化方法,其特征在于:所述光伏电池阵列包括由固定结构部分与可重构部分组成,所述固定结构部分的光伏阵列包含M组串联着的光伏组件组,每组光伏组件组的两端接口并联可重构部分的任意若干个光伏组件;所述可重构部分包括N块光伏组件,N块光伏组件将被分成M组后分别并联到与之对应的固定结构的M组光伏组件组的外部接口上;

每个光伏组件串联有一个防逆二极管,固定结构部分的光伏阵列中每组并联光伏组件组先串联一个电流互感器后并联一个旁路二极管和一个电压互感器,可重构部分的光伏阵列中每个光伏组件串联一个电流互感器;

光伏阵列运行过程中,对于可重构部分光伏阵列中的光伏组件,通过实时测量光伏组件的端电压以及流过的电流,根据光伏组件的数学模型快速估算出每个光伏组件的短路电流Isci,i=1,2,3,……,N;对于固定结构部分光伏阵列中的光伏组件,通过实时测量每组并联光伏组件组的端电压和总电流,根据并联光伏组件组的等效模型快速估算出每组光伏组件组的合成短路电流Iscj,j=1,2,3,……,M;

所述重构优化方法包括以下步骤:

(1)采集电压和电流信号;当重构优化启动时间到或者串联光伏组件组的端电压之间出现超出预设差值时,启动光伏阵列重构优化;

(2)根据固定结构部分光伏组件组的端电压及通过每组并联光伏组件的总电流测量值,计算每组光伏组件组的短路电流值Iscj,j=1,2,3,……,M,并按短路电流从大到小的顺序对光伏组件组进行排序;

(3)根据可重构部分光伏组件的端电压和电流测量值,计算每个光伏组件的短路电流值Isci,i=1,2,3,……,N,并按短路电流从大到小的顺序对光伏组件进行排序;

(4)计算重构后光伏阵列中串联着的每组并联光伏组件组的短路电流目标值Isc,计算公式为 重构的目标是使每组光伏组件的短路电流之和尽可能接近该目标值Isc;

(5)检查固定结构部分是否有光伏组件组的短路电流之和超过重构后的目标值Isc,如果是,则取消对该组光伏组件组继续分配可重构部分的光伏组件,设定下次启动重构优化程序的时间T为第一时间阈值,否则设定下次启动重构优化程序的时间T为第二时间阈值,即下次重构程序由光伏组件端电压差值过大这个条件来启动,所述第二时间阈值比所述第一时间阈值大;

(6)每次为固定结构部分的短路电流之和尚未达到目标值Isc的光伏组件组分别分配一块从可重构部分挑选的待分配的光伏组件;分配过程中,如果有光伏组件组的短路电流之和超过设定的目标值,则采取两种措施:1) 保持此次分配不变,但立即停止下一次对该光伏组件组再分配光伏组件;2) 撤销最近分配的一块光伏组件,替代为剩余待分配光伏组件中使该光伏组件组短路电流超过目标值Isc的短路电流最小的光伏组件,此后立即停止下一次对该光伏组件组再分配光伏组件;上述分配过程循环进行,直至所有可重构光伏阵列部分的光伏组件分配完毕。

(7)形成当前运行条件下的光伏阵列重构优化策略,并将重构信号释放到电力连接开关的切换控制系统中,将可重构部分光伏组件准确并联到固定结构光伏阵列中对应的光伏组件组两端。